Welcome to the new IOA website! Please reset your password to access your account.

Proceedings of the Institute of Acoustics

MULTIPHYSICS SIMULATION OF A LOW FREQUENCY HORN LOUDSPEAKER J Hipperson Funktion One Research Ltd. UK AJ Svobodnik Mvoid Group, Germany T Nizzoli Mvoid Group, Germany P Feurstein Mvoid Group, Germany 1 ABSTRACT

This paper gives insight into advanced modelling procedures for horn loaded bass loudspeakers. It will be shown that this approach will correctly predict the performance of a non-trivial design, purely from the 3D geometry and lumped element transducer parameters, in the sense that it predicts both the resonant and horn loading effects of the design. A special focus will be on post-processing following the paradigm of virtual measurement, resulting in high resolution directivity patterns for further analysis in array modelling and room acoustics predictions. All results are compared to real measurements and evaluated in terms of accuracy. 2 BACKGROUND

2.1 MOTIVATION

Modern sound reinforcement systems typically consist of two or more main loudspeaker arrays, augmented by a number of dedicated low frequency loudspeakers or subwoofers. The crossover point is typically in the range of 60-100Hz. Historically, all loudspeakers in a sound reinforcement system were horn loaded for maximum electroacoustic efficiency, including low frequency loudspeakers. This was due to the limitations of early power amplifiers, which could rarely deliver more than 100W into 8Ω. Modern developments in amplifier technology such as pulse width modulation (PWM), and improved materials and venting design in transducers has resulted in low frequency horn loudspeakers (or bass horns) largely being replaced by low sensitivity (95- 99dB/2.8V/1m) high power (>2000W) dual 18” bass reflex loudspeakers. However, some manufacturers and enthusiasts continue to develop and use bass horns for their high efficiency and subjective audio quality. It is not uncommon for bass horns to have up to 10dB higher sensitivity than bass reflex subwoofers, which can result in significantly reduced power consumption. Bass reflex loudspeakers are relatively well understood, with a large body of literature on modelling and design. However there is less literature on the theory and performance of bass horns, despite their invention some years prior. Consequently there are some myths surrounding their behaviour, particularly the idea that bass horns somehow project, or “throw” sound further than direct radiating loudspeakers. The goal of this work is to develop a highly accurate predictive model for the sound pressure level (SPL) distribution of large arrays of bass horns, incorporating any additional effects or behaviours unique to bass horns. Therefore, it is important to establish what these effects are, if they exist. Both measurement and modelling can be employed to investigate.

Vol. 43. Pt. 2. 2021

Proceedings of the Institute of Acoustics

2.2 MODELLING OPTIONS – LUMPED ELEMENTS, TWO PORTS

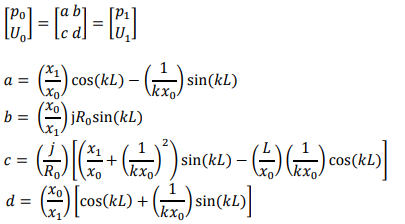
Bass reflex loudspeakers are typically modelled using an equivalent circuit lumped element model. This is a simple and computationally cheap approach, with good accuracy as all acoustic components are substantially smaller than the wavelengths of interest. Bass horns however, are typically larger, and the horn length is often in the range of a quarter wavelength of the lowest frequency it is designed to reproduce. This means that a lumped element model is no longer applicable, as wave behaviour must be considered. A possible solution to this is a hybrid lumped element – two port model, coupling a lumped element transducer model to cascaded two port conical horn sections to approximate the profile of the horn. From Mapes-Riordan (1993):

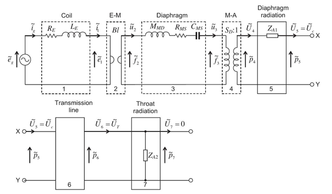
Diaphragm Diaphragm radiation Rus Cust i, Z| 0-0, OTN] mS fr Transmission Throat line radiation 0-0. 0,=0, Xoo > To. fo. \Za2 ™ 6 7 oY

The cascaded transmission matrices for each horn section are contained within the “black box” labelled 6 in the schematic below adapted from Beranek/Mellow (2012):

Sealed Chamber

Cascaded Two

Port Matrices Horn Radiation

Figure 2: Hybrid lumped element/two port model for a horn loudspeaker, adapted from Beranek/Mellow

Vol. 43. Pt. 2. 2021

Proceedings of the Institute of Acoustics

The advantage of the hybrid lumped element/two port method is that it is computationally very cheap, and very fast to run. The disadvantage is that it needs a lot of fine tuning and empirical testing to incorporate the numerous non-ideal behaviours of a real horn. Another disadvantage is the added complexity of coupling horn sections with both positive and negative expansion rates. Figure 3 shows an attempt at modelling a 21” driver bass horn. The general behaviour is more or less correct, but the overall accuracy to the real data is poor, particularly the 10dB peak at the upper end of the response. Furthermore, it is rarely trivial to work out exactly where the model is going wrong.

Bass Horn Lumped Element/Two Port

modelled response

120

115

110

Sensitivity (dB)

105

100

95

90

85

80

Frequency

20 200

2.3 FINITE ELEMENT METHOD

Figure 3: Modelled response of dual 21” bass horn

In 2021, computation is cheap, which opens the door to powerful, but computationally inefficient methods such as the Finite Element Method (FEM) and Boundary Element Method (BEM) for loudspeaker modelling. As a very simple overview, both approaches function by dividing a geometry into subdomains based on a “mesh”, then solving a particular partial differential equation for each subdomain in the mesh, and collecting the results for the complete geometry. In Acoustics, the equation describing the behaviour of sound waves is the Wave Equation. Although the wave equation is continuous and the mesh of subdomains is discrete, it is assumed that the solutions to the wave equation are well approximated by a finite sum of test functions. The FEM software attempts to minimise the error between the exact solutions and approximate solutions. The principle of the finite element method is converting a boundary value problem to its weak formulation, i.e. it is no longer required to have an absolute solution, and instead only weak solutions from test functions, which have varying accuracy in some distribution. Once a weak formulation of the problem has been obtained, it is discretised according to the number of spatial dimensions in the problem to be applied to individual elements in the geometry mesh. In software, the 'mesh' of these finite elements is usually generated in a separate step, as fine tuning is often required for accurate results. Some packages can analyse the mesh and automatically adjust it to reduce error. The elements are usually tetrahedra or quadrilaterals, depending on the geometry. The elements are assembled into a large matrix, which is solved by inversion (or another technique if it is more efficient). Because most of the matrix values are zero (a sparse matrix) inversion is usually quite fast. The attraction of these methods, is that geometry can be (nearly) directly imported, model parameters defined and (hopefully) all aspects of the system are modelled with minimal fine tuning or empirical correction factors. There is also flexibility in complexity. The model can be a fully coupled multiphysics simulation, including voice coil and electromagnetics, or a simplified model with a lumped element transducer model coupled to a finite or boundary element geometry model. In this paper, the model described is a lumped element transducer model coupled to a finite element model.

Vol. 43. Pt. 2. 2021

Proceedings of the Institute of Acoustics

3 METHOD

3.1 LUMPED ELEMENT TRANSDUCER MODEL

At low frequencies, a full three-domain electromagnetic – mechanic – acoustic driver finite element model is not strictly required to obtain accurate results. Instead, much of this work can be bypassed by using a lumped element equivalent circuit model for the transducer. To obtain the lumped element parameters of the driver, two impedance measurements are made in free air, one with an added known mass. These impedance measurements are then input to a curve fitting model to calculate the lumped element parameters. The schematic in Figure 4 demonstrates what these parameters represent in terms of an equivalent circuit model of a moving coil transducer:

Figure 4: Lumped element equivalent circuit of a moving coil transducer

R E is the DC resistance of the voice coil, L E the voice coil inductance. Bl is the force factor of the motor (electrical to mechanical transduction represented by a gyrator), R MS is the mechanical resistance or “lossiness” of the moving parts, M MS is the moving mass of the transducer, C MS is the compliance of the suspension, S D is the diaphragm area (mechanical to acoustical transduction represented by a transformer) and Z SYS is the acoustic load into which the transducer is operating (in this case, coupling to the finite element model). 3.2 FINITE ELEMENT MODEL AND FUNCTIONAL DMU

be TOS Electrical Sule en

The digital mockup (DMU) is a 3D geometry based on the CAD data, with some important alterations. Features that are not strictly necessary for the evaluation of acoustic performance such as bracing, wheels and handles are removed. If a full structural evaluation of the cabinet were to be performed, it would be important to include these details in the model. Because the driver model is a simplified lumped element model, the geometry of the driver is a simplified space filling model to fill the equivalent volume of the real driver. There are two symmetry planes YZ and XY. The cabinet geometry is placed on an infinite reflecting plane to provide half space radiation conditions, as used in real applications. The box surrounding the cabinet geometry is an air volume surrounded by a perfectly matched layer (PML) which

approximates free space, enabling the calculation of far field results. The cabinet geometry is set to a perfectly reflecting boundary condition, with an impedance boundary condition (absorption) in the rear chamber. The driver cone is set to a radiating boundary condition, with velocity determined by the bidirectionally coupled lumped element model in 3.1. The cabinet geometry is bidirectionally linked to the CAD software, enabling design revisions in the CAD software to propagate through into the simulation without having to do the tedious work of importing and modifying the geometry.

Figure 5: DMU geometry

Vol. 43. Pt. 2. 2021

Proceedings of the Institute of Acoustics

4 RESULTS AND POSTPROCESSING

4.1 SENSITIVITY

Figure 6 shows a comparison of measured vs. modelled sensitivity for the dual 21” bass horn design (2V/2m). The agreement is good, within 1dB. Importantly, the model correctly predicts both resonant and horn loaded effects of the design purely from the geometry, this was difficult to achieve using a 1D (LE/2P) model. The main cause of discrepancy is likely the tolerance in driver resonance (Fs). Another source of error is the curve fitting model to calculate the lumped element parameters, but this is small, relative to the variation in drivers. Further accuracy could be achieved, given more time, by producing a “golden average” of lumped element parameters, and averaging measured responses.

Figure 6: Comparison of measured and modelled sensitivity at 2V/2m

4.2 ELECTRICAL IMPEDANCE

Although the general behaviour is correct, the accuracy of the electrical impedance model is poorer, this supports the idea that driver tolerances are the main source of error. Again, this could be improved by averaging of impedance measurements, and using a “Golden Average” dataset of lumped element parameters as an input to the model.

Figure 7: Comparison of measured and modelled electrical impedance

Vol. 43. Pt. 2. 2021

Proceedings of the Institute of Acoustics

4.3 DIRECTIVITY

Figure 8: Measured horizontal directivity isobars

Figure 9: Modelled horizontal directivity isobars

A full 3D dataset of directivity for a single cabinet was generated from the model using a post- processing routine. The modelled directivity follows the measured directivity close enough to be useful, achieving the main goal of the simulation. Deviations may be due to the coarse phi angle in the measurements producing artefacts in the smoothing process of the plot. This could be checked in later work using a finer increment in the directivity measurements. Further investigation is required to understand the cause of the anomaly around 300Hz in the modelled data.

Vol. 43. Pt. 2. 2021

Proceedings of the Institute of Acoustics

4.4 PROPAGATION LOSS

The final three figures to the left compare measured data, modelled data using the coupled LE/FEM, and a simple theoretical point source (-6dB per doubling of distance) It can be seen that at 40Hz and 63Hz, the model and measurements closely follow the behaviour of a theoretical point source, deviating at further distances as additional sources of loss in the environment become significant (long grass). The modelled results at 100Hz diverge significantly from both point source and measured results. The increased loss at distance of the measured results is likely the long grass acting as an absorber. The modelled results seem to be following the -6dB per doubling of distance attenuation but with an offset. Despite this result, it is clear the bass horns behave as point sources at low frequencies, and there is no unusual behaviour or “magic” involved. This makes sense, as although horns are often larger than direct radiating bass loudspeakers, they are still much smaller than the wavelengths they are reproducing. 5 CONCLUSIONS

Bass Horn measured vs. modelled at 40Hz

110

105

100

95

SPL (dB)

90

85

80

75

70

Distance (m)

10 100

Theoretical Measured 40Hz Modelled 40Hz

Bass Horn measured vs. modelled at 63Hz

110

105

100

95

SPL (dB)

90

85

80

75

70

Distance (m)

10 100

Theoretical Measured 63Hz Modelled 63Hz

Bass Horn measured vs. modelled at 100Hz

The coupled LE/FEM accurately predicts the most important aspects of a non-trivial loudspeaker cabinet design. The predicted results can be used in further modelling such as SPL distribution of large arrays of bass horns. Directivity data can be pre- calculated with FEM and utilised directly in software running on end users’ machines, without extreme computational requirements. Further work is required to evaluate the accuracy of SPL mapping using model-derived data vs. directly measured directivity data.

110

105

100

95

SPL (dB)

90

85

80

75

70

Distance (m)

10 100

Theoretical Measured 100Hz Modelled 100Hz

Vol. 43. Pt. 2. 2021

Proceedings of the Institute of Acoustics

6 REFERENCES

1. L. Beranek and T. Mellow. Acoustics: Sound Fields and Transducers, Oxford, England: Academic Press (2012) 2. Small, R.H: Direct-Radiator Loudspeaker System Analysis, J. Audio Eng. Soc., vol. 20, pp. 383–395 (1972) 3. D. Mapes-Riordan, "Horn Modeling with Conical and Cylindrical Transmission Line Elements," Paper 3194, (1991 October) 4. Courant, R. (1943). "Variational methods for the solution of problems of equilibrium and vibrations". Bulletin of the American Mathematical Society. 49: 1–23. 5. J. Hipperson, "Propagation Loss of Low Frequency Horn Loudspeakers: Is “throw” a real phenomenon?" Paper 10453, (2021 May.)

Vol. 43. Pt. 2. 2021