Welcome to the new IOA website! Please reset your password to access your account.

Structural Design Optimization of the High-Speed Gearbox Rotor System Based on Mechanical Analysis Liaoyuan Ran 1 , Dunant Halim* 2 Department of Mechanical, Materials and Manufacturing Engineering The University of Nottingham Ningbo China Ningbo, Zhejiang, China 315100 Chung Ket Thein 3 School of Aerospace The University of Nottingham Ningbo China Ningbo, Zhejiang, China 315100 Michael Galea 4 Department of Industrial Electrical Power Conversion University of Malta Msida, MSD, Malta 2080

ABSTRACT This work proposes a design optimization approach for a high-speed rotor system, commonly used in a wide range of industrial applications, in order to address the issue with the flexural flexibility of a rotor system which can cause significant vibration and noise problems due to shaft whirl. For this purpose, the numerical modeling of a flexible rotor system was used to carry out the optimization process considering the effects of the mass and transverse natural frequency to the optimized design. Torque and geometrical sizing were also incorporated as the constraints in the optimization. The rotor system was modelled as a multi-disc Jeffcott rotor system that allows a rapid design optimization process. A case study on a high-speed rotor was carried out to demonstrate the effectiveness of the developed optimization approach, yielding the reduction of the rotor mass by at least 45.6%, while the fundamental transverse natural frequency has been increased by 2.91% as the result. .

1. INTRODUCTION

High-speed electrical machines (HSEM) have been successfully utilized in various industrial, vehicular, and power transmission applications [1-3]. A gearbox rotor system plays a critical component that links an HSEM and the driveshaft to the output. Implementing the gearbox rotor

1 liaoyuan.ran@nottingham.edu * 2 dunant.halim@nottingham.edu.cn (Corresponding author) 3 chungket.thein@nottingham.edu.cn 4 michael.d.galea@um.edu.mt

system increases the output electromagnetic torque from an HSEM, consequently leading to an increase in the operational speed of the gearbox rotor system. Meanwhile, due to the high-efficiency requirement, the overall mass of the power transmission system is always intended to be reduced for a lightweight structural design.

The gearbox rotor system mainly comprises of three components: the main shaft, gears, and bearings. When the gearbox rotor system runs at frequency close to its transverse natural frequency, the rotor system can experience excessive vibration that may lead to structural damage due to its rotor flexibility [4-5]. The geometric sizing and structural strength of the rotor are typically constrained based on specific design scenarios. The conventional systematic design procedure for the gearbox rotor system is to evaluate each element of the rotor system independently. Linke et al. [6] suggest the determination of initial design parameters of a single component to realize a specific design objective. However, a component-level design procedure cannot normally be used to seek for a global optimum result due to the potential interaction of coupled components. The high variability of design parameters and constraints can also increase the complexity of the design process. Therefore, a multi- objective design optimization of a gearbox rotor system should be carried out from a system-level during the design phase.

Semi-analytical and numerical modeling methods, such as the finite element method, are commonly used to evaluate the structural strength, modal characteristics, and thermal performance of a rotor system. Abboudi et al. [7] proposed a lumped-mass discrete model of a gearbox drive system used in wind turbines, while in [8], a numerical modeling method using ANSYS has been utilized to estimate the contact and bending stresses of an aero-engine’s high-speed reduction gear system. Hofstetter1et al. [9] introduced a multi-objective gearbox optimization approach by considering the gearbox volume restriction, where a two-stage helical gearbox was optimized.

In this work, a numerical design optimization methodology of a high-speed gearbox rotor system is proposed by incorporating the finite element analysis (FEA) to analyze its mechanical characteristics, particularly associated with the structural flexibility and mass of the gearbox system. In the optimization. the transverse natural frequency of the rotor system is intended to be maximized while the overall mass to be minimized. A case study is carried out to show the effectiveness of the design optimization method, with the parametric analysis conducted to investigate the sensitivity of objective functions to the design variables. 2. MODEL OF A SIMPLIFIED HIGH-SPEED GEARBOX ROTOR SYSTEM

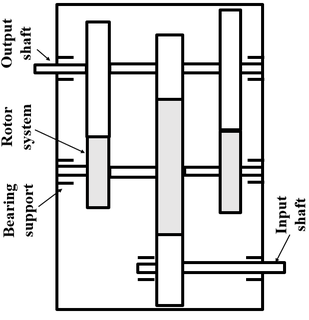
A three-stage high-speed gearbox system generally consists of the input shaft, output shaft, bearing components, intermediate rotor, and transmission gears with different gear ratios, as shown in Figure 1(a). To simplify the design process, the intermediate rotor system can be represented by a solid straight shaft with multi-discs mounted at different axial positions along the shaft. As shown in Figure 1(b), the system is assumed to be simply supported at both ends of the shaft by using two deep groove ball bearings. The multi-discs rotor system represents a general configuration of a rotor system with i th transmission gears. The thickness and diameter of the i th gear is 𝑡 𝑖 and 𝐷 𝑖 , respectively, while D and L are the respective diameter and length of the main shaft. The used material of the rotor system in this study is selected as 40CrNiMo with the modulus of elasticity of 205 GPa and a density of 7850 kg/m 3 .

(a) (b)

Figure 1: A high-speed gearbox rotor system. (a) The schematic diagram of a three-stage gearbox system. (b) A simplified intermediate rotor

system.

HSEM’s rotor provides the electromagnetic torque as a gearbox input. The intermediate rotor system connects with the output shaft by the gear meshing. Due to the specific geometric arrangements of the gearbox system, the positions of the transmission gears and bearing support are fixed. The intermediate rotor system and the output shaft rotors system, as shown in Figure 1(b), are taken out of the gearbox and treated as a simplified multi-disc rotor system, whose design will be optimized. The subsequent optimization methodology is established based on the simplified model. 3. MULTI-OBJECTIVE DESIGN OPTIMIZATION METHODOLOGY

ayeys woysés uoddns yndng ss aojoy—— BAO,

By utilizing a numerical modeling using ANSYS Workbench, the estimation of mechanical characteristics of the rotor system is carried out. For most engineering design cases, the fundamental transverse natural frequency should be larger than the maximum operating speed of the gearbox system. To avoid resonance, the rated speed 𝜔 𝑠 should at least satisfy the following constraint [10]:

𝜔 𝑠 < 0.75𝜔 𝑐𝑟 (1)

where 𝜔 𝑐𝑟 is the fundamental transverse natural frequency, which should be maximized as the first objective of the optimization process. The second objective relates to the overall mass of rotor system, which should be minimized for obtaining a lightweight design. In addition, there is a design constraint that relates to the maximum shear stress resulting from the applied electromagnetic torque must not exceed the shear yield stress of rotor material.

3.1. Optimization problem formulation

By importing the 3D geometry of rotor system into the ANSYS working space, a different combination of design variables is set and evaluated to investigate the sensitivity of the objective function to the design variables. The multi-objective genetic algorithm is used to search for the global optimum solution by varying the design variables within the defined upper and lower bounds. The general expression of the design optimization problem can be stated by using the geometric design variables:

𝑋= (𝐿, 𝐷, 𝑡 1 … , 𝑡 i ) (2) In this work, the design optimization problem is set up as:

𝑚𝑖𝑛 𝑋∈ℝ 2𝑁 𝑔(𝑋) (3)

subject to:

𝑓 𝑗 (𝑋) = 0, j = 1, ⋯J (4)

𝑦 𝑘 (𝑋) ≥0, 𝑘= 1, … , K (5)

𝑋 𝑙 ≤𝑋≤𝑋 𝑢 (6) where 𝑔 is the objective function to be minimized; 𝐽 and 𝐾 are the number of equality constraints and the number of inequality constraints, respectively; 𝑓 𝑗 is the 𝑗 𝑡ℎ equality constraint; 𝑦 𝑘 is 𝑘 𝑡ℎ inequality constraint; 𝑋 𝑙 and 𝑋 𝑢 are the respective lower and upper bound of design variables. In the present case study, the objective function is formulated by:

𝑔(𝑋) = 𝑚 𝑟 (𝑋) −𝑤 𝑛 (𝑋) (7)

where 𝑚 𝑟 is the overall mass of rotor system and 𝑤 𝑛 is its fundamental transverse natural frequency. The objective is to search for the maximum fundamental transverse natural frequency while minimizing the rotor mass simultaneously. The design constraints of the high-speed gearbox rotor system are described as follows:  Geometric sizing constraints: Based on the design specification of rotor system that affects its geometric configuration: 𝑋 𝑙 ≤𝑋≤𝑋 𝑢 .  Withstand torque constraints: The produced maximum shear stress resulting from the generated torque should be smaller than the shear yield stress of rotor material. By considering a safety factor of 2, an inequality constraint can be defined: 𝑦 𝑘 (𝑋) ≥0 .

3.2. Optimization procedure

The overall design optimization procedure is shown in Figure 2. Based on the specified design requirements of a high-speed gearbox system, initial design variables and constraints are set. After the first evaluation of initial design parameters, the obtained simulation results will be used as benchmarks for later comparison with the optimization results.

Figure 2: The design optimization flow chart.

Design Optimization Stage “Initial Stage

The sensitivity analysis of each design parameter is conducted to observe the relationship between design variables and objective functions. Then the multi-objective genetic algorithm is utilized to search for the optimum result, which will be evaluated based on the manufacturing feasibility. If the result is not feasible, the constraints will be updated to the initial design stage to repeat the process until the design requirements can be ultimately met. 4. A CASE STUDY OF THE INTERMEDIATE ROTOR OF A HIGH-SPEED GEARBOX SYSTEM

An intermediate rotor system from a high-speed gearbox system is shown in Figure 3. This high- speed gearbox rotor system is designed to maximize the output electromagnetic torque from an HSEM with a maximum operating speed of 15,000 rpm and a maximum electromagnetic torque of 66 Nm. The reduction gear ratio from HSEM to the intermediate rotor is 1.5. In this case study, the initial geometric sizing of the intermediate rotor system, the bounds of design variables and the design criteria are described in Table 1.

Table 1: The initial geometric sizing of an intermediate rotor system.

Parameters Value

Bound

(mm)

(mm) Overall length of the rotor system 275 240-340 Diameter of the rotor main shaft 30 10-40 The thickness of the gear 15 8-25 Diameter of the first transmission gear 40 Fixed Diameter of the second transmission gear 125 Fixed Diameter of the third transmission gear 90 Fixed

Figure 3: A 3D model of the intermediate rotor system

Due to specific arrangements of the gearbox system, the locations of transmission gears are usually spatially limited. As shown in Table 1, the diameter of each gear should be kept unchanged for the designed gear ratios. The diameter and length of the main shaft, and the thickness of gear are three design variables that need to be constrained within the specified upper and lower bounds due to the limitation of the gearbox volume. Here, it is considered that the thickness of the three gears remains the same. By applying the structural modal analysis and the static shear stress analysis in ANSYS, the fundamental transverse natural frequency of rotor system is determined as 386.12 Hz; the obtained safety factor of rotor shear stress is 3.828; and the overall rotor mass is 3.6183 kg.

4.1. Sensitivity analysis of design variables

Figure 4: Sensitivity of the objective function to design variables.

Based on the optimization process, the sensitivity analysis for each design variable is undertaken, where the sensitivity of objective function to each design variable is shown in Figure 4. It can be seen from Figure 4 that the diameter of main rotor shaft is highly sensitive and positive proportional to the sustained torque (P5). An increase in the diameter of main shaft can lead to an increase in the fundamental transverse natural frequency (P4). In contrast, an increase in the overall length of main shaft can lead to a decrease in the fundamental transverse natural frequency. The response surfaces of three design variables with respect to the fundamental transverse natural frequency are depicted in Figure 5.

(a) (b) (c)

Figure 5: Response surfaces of three design variables with respect to the fundamental transverse

natural frequency (a) Thickness of gear vs diameter of the main shaft. (b) Thickness of gear vs

overall length of the rotor system. (c) Diameter of the main shaft vs overall length of the rotor

system.

It is shown that as the length of main shaft decreases, the fundamental transverse natural frequency increases significantly, while an increase of main shaft’s diameter can also increase the fundamental transverse natural frequency. It is observed that the diameter of the main rotor shaft shows dominant sensitivity to the three design objective functions and should be optimized first.

4.2. Design optimization results

After the optimization process completed, the final solution candidate of the design optimization problem is obtained. Table 2 shows the comparison between the initial design variables and the optimized results.

Table 2: The comparison of initial design variables and optimized results.

Parameters Original Optimized Difference (%) Overall length of the rotor system (mm) 285.00 275.00 -3.5% Diameter of the rotor main shaft (mm) 30.00 12.00 -60% Thickness of the gear (mm) 15.00 8.00 -46.6% Safety factors of sustained torque 3.62 2.00 -81% Fundamental transverse natural frequency (Hz) 386.12 397.31 +2.91% The overall mass of the rotor system (kg) 3.83 2.08 -45.6% To maintain a safe operational range of the rotor system, the optimized fundamental transverse natural frequency is 2.56 times larger than the maximum operation speed of 166.6 Hz, and the overall mass has been reduced to 2.08 kg. The safety factor of sustained torque is also within the design requirement. Figure 6 shows the iteration of the optimization of the overall mass and the transverse natural frequency of the rotor system, which shows the convergence of result is subsequently obtained. The optimization attempts to achieve lower rotor mass and a higher natural frequency by the iterative evaluation of various combinations of design groups. It is observed that the upper and lower bounds of design variables gradually narrow down until they ultimately approach the optimum results.

(a) (b)

Figure 6: The optimization convergency history. (a) The overall rotor mass. (b) The fundamental transverse nature frequency of rotor. 5. CONCLUSIONS

In the present work, a multi-objective design optimization of a high-speed gearbox rotor system has been proposed. The design variables and constraints were defined by incorporating the essential mechanical characteristics of the rotor system, where the fundamental transverse natural frequency, rotor sustained torque, and overall mass of the rotor system were considered. The design of a three- stage intermediate rotor system for a gearbox system was optimized using the proposed optimization method. The sensitivity analysis of the design variables was carried to investigate the effect of different design variables to the objective function. The final optimization results showed that the overall mass of rotor system has been reduced by 45.6%, while the fundamental transverse natural frequency has been slightly increased by 2.91%. The results thus demonstrated the effectiveness of the proposed design optimization methodology of the high-speed gearbox rotor system.

6. REFERENCES

1. Sarlioglu, B., & Morris, C.T. More Electric Aircraft: Review, Challenges, and Opportunities for

Commercial Transport Aircraft. IEEE Transactions on Transportation Electrification , 1(1) , 54- 64, (2015). 2. Uzhegov, N., Kurvinen, E., Nerg, J., Pyrhonen, J. Sopanen, J. T., & Shirinskii, S.

Multidisciplinary design process of a 6-slot 2-pole high-speed permanent-magnet synchronous machine. IEEE Transactions on Industrial Electronics , 63(2), 784–795, (2016). 3. Xia, B., Shen, J.X., Luk, P. C.K., & Fei, W. Comparative study of aircored axial-flux permanent-

magnet machines with different stator winding configurations. IEEE Transactions on Industrial Electronics , 62(2) , 846–856, (2015). 4. Friswell, M.I., Penny, J.E.T., & Garvey, S.D. Dynamics of rotating machines, Cambridge

University Press, 2010. 5. Xu, M., & Marangoni, R. D. Vibration analysis of a motor-flexible coupling-rotor system subject

to misalignment and unbalance, part I: theoretical model and analysis. Journal of sound and vibration , 176(5) , 663-679, (1994). 6. Linke, H., Börner, J., & Heß R. Cylindrical gears: Calculation - Materials - Manufacturing. Carl

Hanser Publications, 2016. 7. Al-T.Y, A., Chen. S., & Sun, Z. A Coupled Torsional-Transition Nonlinear Vibration and

Dynamic Model of a Two-Stage Helical Gearbox Reducer for Electric Vehicles. Shock and Vibration , 2020 , (2020). 8. Boby, R.J., & E, R.K. Design and Analysis of Gear System for Turboshaft Aero Engine Reduction

Gearbox. Indian Journal of Science and Technology , 9(34) , (2016) 9. Hofstetter, M., Lechleitner, D., Hirz, M., & Schmidhofer, A. Multi-objective gearbox design

optimization for xEV-axle drives under consideration of package restrictions. Forsch Ingenieurwes , 82 , 361–370, (2018). 10. Gieras, J. F. Design of permanent magnet brushless motors for high-speed applications.

Proceedings of 17th International Conference on Electrical Machines and System. pp. 1-16, (2014).