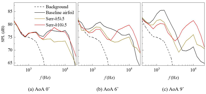
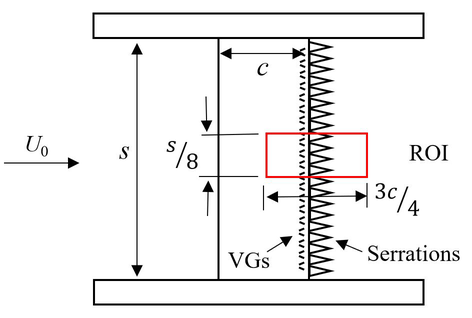
A A A Volume : 44 Part : 2 Enhancing the noise reduction capability of serrations using low-profile vortex generatorsShivam Sundeep, Peng Zhou, Chuntai Zheng, Hanbo Jiang, Siyang Zhong, and Xin Zhang 1The Hong Kong University of Science and Technology Clear Water Bay, Kowloon, Hong Kong SAR, ChinaABSTRACT This paper presents an experimental investigation on improving the noise reduction capability of trailing edge serrations using upstream vortex generators. Experiments were conducted for a 100 mm chord NACA 0012 airfoil at four angle of attack between 0 ◦ and 9 ◦ and flow speed ranging from 20 to 50 m / s. The Reynolds number based on the chord length ranges from 1 . 3 × 10 5 to 3 . 3 × 10 5 . Vane type vortex generators with various heights of h /δ = 0 . 125 − 0 . 25 were placed along with the serration roots, where δ is the boundary layer thickness at the trailing edge without the vortex generators. The aeroacoustic measurements were made with a phased microphone array, and the aerodynamic measurements near the trailing edge were measured using a hot wire. The source integrated noise spectra showed on average 2 dB reduction in the trailing edge noise over high frequency range above 3 kHz. The generation of streamwise vortices by vortex generators can be identified in the wake measurement. These streamwise vortices were further found to counteract the cross-flow generated at the serration roots, hence improving the performance of the serration.1. INTRODUCTIONThe airfoil self-noise generated by the scattering of surface pressure fluctuations at the trailing edge has been widely studied in the last decade [1,2]. Serrations have shown as capable in reducing the trailing edge noise. They are found to disrupt the development of spanwise vortices and assist the growth of streamwise vortices near the trailing edge and in the wake [3,4]. Experimentally many studies have found noise reduction of up to 7 dB in wind tunnel measurements using serrations [5,6]. Additionally, several models predicts 7 − 10 dB noise reduction similar to experiments [7, 8]. Zhou et al. [9] investigated the e ff ect of serration flexibility on the trailing edge noise. They observed an extra reduction in noise in the high-frequency range by flexible serrations. Further, they found that the flexible serrations can align better with the flow and reduce the aerodynamic loading on the airfoil. Although serrations have shown consistent noise reduction experimentally, an essential drawback of the serrations is the undesirable noise increment above a critical frequency [2, 10]. In practice, the flow may not be perfectly aligned with the serrations, potentially leading to an undesirable cross- flow and turbulent structures in the vicinity. E ffi ciency loss in the noise reduction can be observed, especially at high frequencies. Gruber [11] attributed the high-frequency noise increment to the1 aexzhang@ust.hka slaty. inter.noise 21-24 AUGUST SCOTTISH EVENT CAMPUS O ¥, ? GLASGOW increased turbulence intensity at the serration roots. Further, the noise increase at the high frequencies was found to be greater in the case of the misalignment between the serration and the undisturbed wake flow [6], and more noteworthy when the serrations have flap angles [10, 12, 13]. Avallone et al. [14] proposed that the cross-flow increased the high-frequency noise by continuously pushing the high moment fluid toward the serration surface. Later, with the help of particle image velocimetry (PIV) measurements of a serrated airfoil, León et al. [10] observed an enhanced wall-normal velocity fluctuation at the pressure side edge of the serrations at the crossover frequency, which is believed to be linked with the origin for the noise increment. Flow-control devices such as vortex generators (VGs) has the potential to control the cross-flow at the serration roots. Vortex generators can e ff ectively produce counter-rotating streamwise vortices within the boundary layer [15, 16]. The induced vortices can transfer high momentum flow from the upper regions of the boundary layer to the near-wall regions [15]. With proper VG design and placement, streamwise vortices of su ffi cient strength can be generated to counteract the cross-flow at the root of the serrations. In this regard, the current work aims at exploring the potential of further enhancing the noise reduction capability of the trailing edge serrations by employing the vortex generators at the roots of the flexible serration, as shown in Fig 1. The idea is to nullify the cross-flow using the streamwise vortices generated by the vortex generators.Figure 1: A schematic showing the location of vortex generator on the airfoil.A NACA 0012 airfoil with serrated trailing edge and with VG placed on its roots are experimentally tested at di ff erent free stream velocities. Non-zero serration flap angle, φ , and multiple angles of attack, α , are prescribed as sources of serration-flow misalignment. In order to relate the noise reduction mechanism to the flow field e ff ects, hot-wire measurements were taken along with the acoustic phased array measurements. The remaining part of this paper is organized as follows. First, the experimental setup and measuring methods are described in Section 2. Then, the results are presented in Section 3. In particular, the serrated trailing edge noise reduction and the corresponding mechanism are discussed in this part. Finally, the conclusions are given in Section 4.2. EXPERIMENTAL SETUPThe experiments were conducted in an anechoic wind tunnel, Ultra-quiet Noise Injection Test and Evaluation Device (UNITED), at The Hong Kong University of Science and Technology (HKUST) [17]. An open-jet square test section of 400 mm side was used in the study as shown in Fig. 2. The flow speed ranges from 10 m / s to 70 m / s, with turbulence intensity within the test section being lower than 0.32% over the whole flow speed range. The anechoic chamber surrounds the test section and has dimensions of 3 . 3 m (length) × 3 . 1 m (width) × 2 m (height) with a cut-o ff frequency of 200 Hz. A NACA 0012 airfoil with 100 mm chord and 400 mm span was used in this study. A trip of 0 . 3 mm thickness and a width of 10% of the chord was applied on both sides of the airfoil to ensure turbulent boundary layer at the trailing edge. In this experiment, the freestream velocity U ∞ varies between 20 m / s and 50 m / s, corresponding to a chord-based Reynolds number between 1 . 3 × 10 5and 3 . 3 × 10 5 . Experiments were performed at four e ff ective angle of attacks α : 0 ◦ , 3 ◦ , 6 ◦ , and 9 ◦calculated from the geometric one α g following Brooks et al. [18]:Flow Boundary layer trip Vortex ) generator 4 X NACA 0012 z Flexible serration α = α g 1 + 2 σ2 σ , (1)(1 + 2 σ ) 2 + √where σ = π 2 c 2 / 48 L 2 . Here c is the airfoil chord length and L is the wind tunnel height. Two di ff erent add-on sawtooth type serrations with root-to-tip distance of 2 h = 20 mm and 2 h = 10 mm are employed in this study. The serration amplitude corresponds to h ≈ 2 δ and h ≈ δ for the serrations with 2 h = 20 mm and 2 h = 10 mm, respectively ( δ is the boundary layer thickness at 20 m / s and α = 0 ◦ based on XFOIL computations [19]). A constant serration wavelength of λ = 5mm is studied, leading to h /λ = 2 and h /λ = 1 corresponding to 2 h = 20 mm and 2 h = 10 mm, respectively to achieve a good noise reduction performance as indicated in previous studies [11]. In this study, the serrations with 2 h = 20 mm is referred as Serr- h 10 λ 5 and the serrations with 2 h = 10 mm is referred as Serr- h 5 λ 5. Since the serrations were attached on the airfoil surface, it lead to a flap angle of 7 ◦ with the flow as shown in Fig. 3(a). The serration Serr- h 5 λ 5 attached to the trailing edge of the airfoil is depicted in Fig. 3(b).Figure 2: An overview of the experimental setup used in this study. (b) Serration Serr- h 5 λ 5(a) Flap angleFigure 3: Top view of the airfoil depicting the flap angle (left) and serration Serr- h 5 λ 5 attached to the trailing edge (right).2.1. Vortex generator To supress the cross-flow by the serrations, a linear array of vortex generators is arranged in a counter-rotating configuration along the serration roots as shown in Fig. 4. The height H of the VGs are chosen as 0 . 5 mm, 0 . 75 mm, and 1 mm, corresponding to h /δ of 0.125, 0.175, and 0.25, respectively where δ is the boundary layer thickness near the trailing edge at 20 m / s and α = 0 ◦ based on Xfoil analysis [19]. The spacing e between the VGs is kept the same as the serration wavelength, λ . In this paper, the VGs are referred based on their height values as VG0 . 5, VG0 . 75, and VG1. An overview of the geometrical dimensions of VGs is reported in Table 1.Table 1: An overview of the design parameters for the VGs.VG H , mm H / δ l , mm l / H e , mm βVG0 . 5 0.5 0.125 1 2 5 20 ◦VG0 . 75 0.75 0.175 1.5 2 5 20 ◦VG1 1 0.25 2 2 5 20 ◦Figure 4: A sketch depicting vortex generator parameters. 2.2. Phased microphone array A phased microphone array was used to measure the radiated noise. The array was placed parallel to the flow direction at a distance of 750 mm from the trailing edge, with its center aligned with the trailing edge of the airfoil as shown in Fig. 3(a). The array consists of 56 1 / 4" Brüel & Kjær Type 4957 array microphones. The microphone signal was acquired at a sampling frequency of 48 kHz for 10 seconds. The sound power integration (SPI) technique [20] is used to determine the absolute sound pressure levels. An integration region of interest (ROI) within the beamformed output maps at the trailing edge is used to calculate the noise spectra at the trailing edge region. The integration region is illustrated in Fig. 5, marked by the red box around the VGs and the trailing edge serrations. The integrated noise levels are scaled by a factor based on a simulated monopole normalized source pressure acquired from the experiment [21].Figure 5: Region of interest (ROI) used by the source power integration technique.2.3. Velocity measurement A hot-wire probe (Dantec 55P61) is used to measure the cross-flow in the wake of the serration. The probe was traversed in the spanwise direction 1 mm downstream of the trailing edge covering a span of 10 mm (2 λ ). The measurement array was discretised into 40 measurement points with a spacing of 0 . 2 mm. At each location, the velocity data was acquired at 20 kHz for 10 seconds. For comparison, the measurements were taken for the baseline airfoil and the serrated airfoil with and without VG.3. RESULTS AND DISCUSSION3.1. Noise characteristics Performance of the two serrations Serr- h 5 λ 5 and Serr- h 10 λ 5 with non-zero flap angle of φ = 7 ◦and angle of attack α = 0 ◦ , 6 ◦ and 9 ◦ are compared in Fig. 6. The figure depict 1 / 3 octave band spectra obtained by integrating noise sources near the trailing edge. As shown in Fig. 6a, the shorter amplitude serration Serr- h 5 λ 5 e ff ectively lower the noise emission by maximum 5 dB at high frequencies when compared to the baseline geometry at α = 0 ◦ . However, no reduction is observed for the case of Serr- h 10 λ 5. It is expected as the flow misalignment due to the non-zero flap angle leads to an increase in turbulence level near the serration edge, thus impacting the performance of the serrations [10]. The longer serration faces more turbulence interaction hence more adverse imact on the performance is observed. Further, at a higher angle of attack, as the flow misalignment increases and the serration performance reduces. Fig. 6b depicts the results for α = 6 ◦ , where the serration Serr- h 5 λ 5 exhibit a maximum reduction of 5 dB in noise over low to mid-frequency range. However, the amount of reduction quickly decreases as the frequency is increased. The larger amplitude serration Serr- h 10 λ 5 depicts noise reduction only at low frequencies. At high frequencies, an adverse behaviour is observed with 3 dB noise increase compared to the baseline airfoil. When α is increased to 9 ◦ both serrations show noise reduction of about 5 dB at low frequencies. Contrarily, an increase in the high frequency noise by 5 dB and 10 dB is observed in the case of the shorter and the larger amplitude serrations, respectfully. Thus, the increase in the angle of attack of the airfoil deteriorates the performance of the serrations. Orlemans et al. [2] showed that with an increase in the angle of attack, the deviation of the flow increases; hence a misalignment of the trailing edge serrations with the flow appears. The cross-flow at the serration root was found to increase, which led to an increase in the noise level. Further, the results suggest that the serrated airfoil with a low 2 h is more e ff ective in reducing the high frequency broadband noise source. Perhaps, with a larger serration amplitude 2 h , the misaligned flow interacts with a wider edge, leading to an increase in small scale turbulence structures and hence high frequency noise. Gruber et al. [6] suggested that the larger 2 h leads to a greater noise increase at high frequencies. Later Vathylakis et al. [12] also observed a similar e ff ect of serration amplitude on the noise reduction in the case of a flat plate. Due to its better performance, the serration with shorter 2 h Serr- h 5 λ 5 is chosen for further enhancing the noise reduction capability using vortex generators.Figure 6: Source integrated 1 / 3 octave band SPL at 30 m / s.The e ff ect of VGs on the trailing edge serration noise is further studied. The spectra of the serrated airfoil with and without VG along with the straight trailing edge airfoil at U ∞ = 30m / s and at two airfoil incidence of α = 0 ◦ and α = 9 ◦ is shown in Fig. 7. The figure compares the performance of three VG configurations VG0 . 5, VG0 . 75, and VG1 deployed at the roots of the serration Serr- h 5 λ 5. The largest and the smallest vortex generators VG0 . 5 and VG1 are unsuccessful in reducing the serration noise. Interestingly, only VG0 . 75 is found to be e ff ective at reducing the high frequency noise of the serrated airfoil by a maximum of 2 dB. For α = 0 ◦ spectra of all serration with VG cases show an increase in the serration noise by 1 − 2 dB at low to mid frequencies. However, at α = 9 ◦ , the increase in the noise at low frequencies is not substantial, as shown in Fig 7(b). Further, only the results of the best performing case of VG0 . 75 with Serr- h 5 λ 5 will be discussed in detail for brevity.SPL (dB) 85 80 15 70 65 --=++ Background Baseline airfoil ——Serr-h5n5 ——Serr-h1005 f(z) (a) AoA 0° (Hz) (b) AoA 6 s(biz) (©) AoA 9° Background Serr-h5l5 + VG0.58080NACA 0012 Serr-h5l5 + VG0.75Serr-h5l5 Serr-h5l5 + VG17575SPL (dB)SPL (dB)7070656560605555343410101010f (Hz)f (Hz)(a) α = 0 ◦(b) α = 9 ◦Figure 7: Source integrated 1 / 3 octave band SPL at 40 m / s.The plots in Fig. 8 - 10 show the source integrated spectra and the source maps at 30 m / s for α = 3 ◦ , α = 6 ◦ , and α = 9 ◦ . At α = 3 ◦ the serration with VG0 . 75 is found to be e ff ective in reducing the serration noise by 2 . 5 dB at high frequencies as shown in Fig. 8. Simultaneously, an adverse e ff ect with an increase in the noise level by 3 dB is seen at low frequencies. The source maps plotted at 8 kHz highlights the reduction of the noise source amplitude at the trailing edge using VG.Figure 8: Source integrated 1 / 3 octave band SPL with source maps at α = 3 ◦ and 30 m / s.The serration with VG at α = 6 ◦ follows a similar trend as seen for the lower angle of attack with the noise reduction of 4 dB observed at high frequencies above 3 kHz as shown in Fig. 9. Below this frequency, the VG increases the serration noise by 2 dB. Moreover, the source map of serrated airfoil clearly shows high noise source strength at the trailing edge. With the addition of VG, the source map depicts reduction in the trailing edge noise. On further increasing the angle of attack to α = 9 ◦ , the separation increases, and so is the misalignment of the flow. The serration adversely increases the high frequency noise by more than‘SPL (4B) 1 0 65 o 5 50 Background NACA 0012 Semr-i525 Serr i525 + VG0.75 eae) a iJ - 4&8 5 dB, as shown in Fig. 10. The combination of serration and VG helps in reducing the noise at high frequencies (above 2 kHz) by 2 dB compared to the serrated trailing edge. At low frequencies, a slight increase in noise is observed. Similar to the lower angle of attack, the source maps depict the reduction in noise source strength at the trailing edge.Figure 9: Source integrated 1 / 3 octave band SPL with source maps at α = 6 ◦ and 30 m / s.‘SPL (dB) 15 Background ——NACA 0012Figure 10: Source integrated 1 / 3 octave band SPL with source maps at α = 9 ◦ and 30 m / s.Further, the relative SPL level ∆ SPL = SPL (Serr − h 5 λ 5) - SPL (Serr − h 5 λ 5 + VG − H 0 . 75) is calculated at various flow speeds and two angle of attack ( α = 0 ◦ and α = 6 ◦ ) and plotted in Fig. 11. The frequency axis is non-dimensionalised as f δ/ U ∞ where U ∞ is the free stream velocity and δ is the boundary layer thickness at the trailing edge of baseline airfoil (calculated using Xfoil analysis [19]). The figure straightforwardly reveals the impact of VG on the serration noise. As is shown, the finding that the introduction of VG increases noise at mid frequencies holds for both angle of attack. The noise enhancement can reach up to 4 dB at f δ/ U ∞ = 0 . 5 and f δ/ U ∞ = 0 . 25 (see the bump) for α = 0 ◦‘SPL (4B) 1 10 65 6 ss = = =Background NACA 0012 Serr-hS2S Serr-hS2S + VG0.75 fH: and α = 6 ◦ , respectively. However, at high frequencies the VG is seen to reduce the serration noise substantially with a maximum reduction of 12 dB and 15 dB for α = 0 ◦ and α = 6 ◦ , respectively. Interestingly, the noise variation is seemingly insensitive to the flow speed, but varies with the angle of attack.151520 m/s30 m/s40 m/s101050 m/sDSPL (dB)DSPL (dB)5500-5-5-10-1010101010f d/Uf d/U¥¥(a) α = 0 ◦(b) α = 6 ◦Figure 11: The noise variation ∆ SPL = SPL (Serr − h 5 λ 5) - SPL (Serr − h 5 λ 5 + VG0 . 75) plotted against non- dimentional frequency. Positive values represent extra noise reduction.The above results conclude that the VGs further reduce the serration noise at high frequencies, with an adverse impact on mid frequencies. To achieve an overall understanding, Fig. 12 further compares the overall sound pressure level (OASPL) variation with speed at α = 0 ◦ and α = 9 ◦ . The OASPL is obtained by integrating the sound pressure level over the 100 Hz to 20 kHz frequency range. As shown in Fig. 12(a), at α = 0 ◦ the serrated airfoil is approximately 2 dB quieter than the baseline airfoil at 20 m / s. However, the amount of reduction quickly decreases as the speed is increased. The addition of VG at the serration root does not reduce the OASPL further. Moreover, even at α = 9 ◦ , the OASPL values for the serration with and without VG cases overlap, as shown in Fig. 12(b). Therefore, though the addition of VG decreases the high frequency noise, the overall noise level remains unchanged. Baseline airfoil9595Serr-h5l5Serr-h5l5 + VG0.759090OASPL (dB)OASPL (dB)858580807575707020 25 30 35 40 45 5020 25 30 35 40 45 50(m/s)(m/s)UU¥¥(a) α = 0 ◦(b) α = 9 ◦Figure 12: Comparison of the trailing edge noise overall sound pressure level for the serrations with and without VGs.3.2. Noise reduction mechanism According to previous studies [2,6,10] increase in turbulence at the serration root due to the cross- flow might be the mechanism governing the noise generated at high frequencies especially when the airfoil has non-zero incidence or negative serration flap angle. To measure the cross-flow, the wall- normal velocity profiles were measured along the spanwise direction on the suction side at α = 0 ◦ and 20 m / s. As shown in Fig. 13, a large di ff erence in velocity amplitude is evident between the straight (baseline) and serrated edges. Alternate crest and trough can be observed in the velocity profiles of serration. It indicates the presence of the cross-flow emanating from the root of the serration due to non-zero flap angle. Moreover, with the addition of VG at the serration root, the amplitude of the crest and trough is found to decrease. It specifies the attenuation of the cross-flow by the streamwise vortices generated by the VGs.0.15Baseline airfoilSerr-h5l 50.10Serr-h5l 5 + VG0.750.05¥0.00V/U-0.05-0.10-0.150.0 0.2 0.4 0.6 0.8 1.0 1.2 1.4 1.6x/lFigure 13: Variation of the wall normal velocity measured at the trailing edge along the spanwise direction at α = 0 ◦ and 20 m / s.The above results show a promising way to reduce the trailing edge serration high frequency noise using vortex generators at multiple airfoil incidences and at serration flap angle of φ = 7 ◦ . It can be concluded that VGs decrease the high frequency noise by attenuating the cross-flow between the pressure and suction surface at the serration roots. Conversely, VGs may increase the turbulent kinetic energy in the near-wall region along the tip, therefore increasing the amplitude of the surface pressure fluctuations. It consequently will lead to a higher level of mid frequency noise generated at the trailing edge. Further investigation is required to provide a quantitative characterization of the noise reduction potential.4. CONCLUSIONThis paper reports the trailing edge noise reduction potential of the vortex generators placed at the serration roots on a NACA 0012 tripped airfoil at relatively low Mach numbers. The measurements were taken at non-zero serration flap angle of φ = 7 ◦ and various airfoil incidence between α = 0 ◦ and α = 9 ◦ . Preliminary investigation confirms that the high frequency noise reduction can be achieved along with an enhancement in the mid frequency noise. However, with VG, no further noise reduction in OASPL was observed. Moreover, the mean flow measurements showed that the vortex generators successfully counteract the cross-flow at the serration roots.ACKNOWLEDGMENTSThis work is supported by the Hong Kong Research Council (RGC 16204721).REFERENCES[1] D J Moreau and C J Doolan. Noise-reduction mechanism of a flat-plate serrated trailing edge. AIAA Journal , 51(10):2513–2522, 2013. [2] S Oerlemans, M Fisher, T Maeder, and K Kögler. Reduction of wind turbine noise using optimized airfoils and trailing-edge serrations. AIAA Journal , 47(6):1470–1481, 2009. [3] F Avallone, WCP Van Der Velden, D Ragni, and D Casalino. Noise reduction mechanisms of sawtooth and combed-sawtooth trailing-edge serrations. Journal of Fluid Mechanics , 848:560– 591, 2018. [4] M Gruber, P Joseph, and T Chong. On the mechanisms of serrated airfoil trailing edge noise reduction. 32nd AIAA Aeroacoustics Conference , page 2781, 2011. [5] T Dassen, R Parchen, J Bruggeman, and F Hagg. Results of a wind tunnel study on the reduction of airfoil self-noise by the application of serrated blade trailing edges. Technical report, 1996. [6] M Gruber, P Joseph, and T Chong. Experimental investigation of airfoil self noise and turbulent wake reduction by the use of trailing edge serrations. AIAA Journal , page 3803, 2010. [7] M S Howe. Noise produced by a sawtooth trailing edge. The Journal of the Acoustical society of America , 90(1):482–487, 1991. [8] B Lyu, M Azarpeyvand, and S Sinayoko. A trailing-edge noise model for serrated edges. 21st AIAA / CEAS Aeroacoustics Conference , page 2362, 2015. [9] P Zhou, Q Liu, S Zhong, Y Fang, and X Zhang. A study of the e ff ect of serration shape and flexibility on trailing edge noise. Physics of Fluids , 32(12):127114, 2020. [10] C A León, R Merino-Martínez, D Ragni, F Avallone, F Scarano, S Pröbsting, M Snellen, D G Simons, and J Madsen. E ff ect of trailing edge serration-flow misalignment on airfoil noise emissions. Journal of Sound and Vibration , 405:19–33, 2017. [11] M Gruber. Airfoil noise reduction by edge treatments . PhD thesis, University of Southampton, 2012. [12] A Vathylakis, C Paruchuri, T Chong, and P Joseph. Sensitivity of aerofoil self-noise reductions to serration flap angles. AIAA Journal , page 2837, 2016. [13] C A León, D Ragni, S Pröbsting, Scarano, and Madsen. Flow topology and acoustic emissions of trailing edge serrations at incidence. Experiments in Fluids , 57(5):1–17, 2016. [14] F Avallone, S Pröbsting, and D Ragni. Three-dimensional flow field over a trailing-edge serration and implications on broadband noise. Physics of Fluids , 28(11):117101, 2016. [15] J C Lin. Review of research on low-profile vortex generators to control boundary-layer separation. Progress in Aerospace Sciences , 38(4-5):389–420, 2002. [16] P Ashill, J Fulker, and K Hackett. Studies of flows induced by sub boundary layer vortex generators (sbvgs). 40th AIAA Aerospace Sciences Meeting & Exhibit , page 968, 2002. [17] W Yi, P Zhou, Y Fang, J Guo, S Zhong, X Zhang, X Huang, G Zhou, and B Chen. Design and characterization of a multifunctional low-speed anechoic wind tunnel at HKUST. Aerospace Science and Technology , page 106814, 2021. [18] Thomas F Brooks, D Stuart Pope, and Michael A Marcolini. Airfoil self-noise and prediction. Technical report, 1989. [19] M Drela. Xfoil: An analysis and design system for low reynolds number airfoils. In Low Reynolds Number Aerodynamics , pages 1–12. Springer, 1989. [20] T Brooks and W Humphreys, Jr. E ff ect of directional array size on the measurement of airframe noise components. 5th AIAA / CEAS Aeroacoustics Conference , page 1958, 1999. [21] T Zhou. Experimental investigations of the aeroacoustic characteristics of an oscillating wing . PhD thesis, The Hong Kong Unversity of Science and Technology, 2020. Previous Paper 712 of 808 Next