Welcome to the new IOA website! Please reset your password to access your account.

Impact Sound Insulation of thermally insulated Balconies Lucas Heidemann 1 University of Applied Sciences Stuttgart Schellingstrasse 24 70174 Stuttgart, Germany Jochen Scheck 2 University of Applied Sciences Stuttgart Schellingstrasse 24 70174 Stuttgart, Germany STEP GmbH Brückenstrasse 9, 71364 Winnenden, Germany Berndt Zeitler 3 University of Applied Sciences Stuttgart Schellingstrasse 24. 70174 Stuttgart, Germany

ABSTRACT With the increasing urban densification, balconies are gaining in popularity as they improve the living quality in homes. Thermal insulation between balconies and the building’s façade is state of the art. In Germany the most popular balcony construction is a reinforced concrete balcony, separated from the building by a thermal insulation element (TIE), which is meant to reduce the thermal energy loss and thus ensure the sustainability of buildings. The impact sound transmission from balconies, however, is a problem that has not been addressed enough to date. The main goal of the project is to provide acoustic quantities, e.g., an impact sound reduction, for a TIE that can be used to compare the acoustical quality of products and to predict the impact sound pressure levels within the building using the standard EN ISO 12354-2. Experimental and numerical studies have been carried out on various ceiling-balcony mock-ups without and with TIEs e.g., by means of experimental modal analysis and finite element models. This paper will show the effect that various parameters have on the impact sound insulation. Additionally, the measurements on the test set-up will be compared to measurements on building sites.

1. INTRODUCTION

The increase in airborne sound insulation against outdoor noise, achieved by the development of higher quality walls and windows, leads to an increased sensitivity of the inhabitants towards noise that is generated by neighbours. Furthermore, outside areas of flats, such as balconies, are becoming more popular, which leads to higher impact sound immission that can cause disturbances. These two points were considered in 2018, when the German standard of requirements on sound insulation in buildings DIN 4109 [1] was revised. This standard now contains requirements for balconies on the

1 lucas.heidemann@hft-stuttgart.de 2 jochen.scheck@hft-stuttgart.de 3 berndt.zeitler@hft-stuttgart.de

a Shea mar ce 21-24 AUGUST SCOTTISH BENT caso

normalized impact sound pressure level as L ’ n,w ≤ 58 dB. However, for loggias, which are often difficult to differentiate from balconies in modern buildings, the requirement is L ’ n,w ≤ 50 dB.

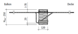
In Germany the most popular balcony construction is a reinforced concrete balcony, separated from the building by a thermal insulation element (TIE) meant to reduce the thermal energy loss. The design of the TIE is primarily based on static requirements. The elements consist of reinforced bars and thrust bearings, sheeted by thermally insulating material such as extruded polystyrene. The main goal of this research project is to provide characteristic acoustical values for a TIE that can be used to compare products and to predict the sound transmission in buildings. A first step to achieve this is to, through measurement and numerical investigations, understand the structure-borne sound transmission through these TIEs.

DIN 4109 contains a method using single number values and vibration reduction indices to predict the impact sound transmission in buildings. Material parameters of the building elements are thereby used as “input parameters”. This method can be applied to balconies in the same way as currently done for floors, namely according to Part 2 of the German standard [2], however currently no standardized laboratory test procedure exists to determine the “input value” for the balconies, although the draft for a European Assessment Document, which includes one of the later presented methods is already published [3]. This testing procedure shall also provide values for a frequency dependent prediction following the international standard for building acoustics EN 12354-2 [4]. This paper describes the development of the testing procedure and an approach to predict the impact sound transmission of balconies.

2. STRUCTURE BORNE SOUND TRANSMISSION FROM BALCONIES IN BUILDINGS

The most relevant requirements of impact or structure borne sound transmission from balconies are along the diagonal path into an adjacent room of a second unit as shown in Figure 1. If the balcony is not separated from the building using a TIE, it can be treated as a ceiling.

Own unit (outer area)

Own unit (inside)

Thermal insulating element

Adjacent unit (inside)

Figure 1: Diagonal impact sound transmission of a thermally insulated balcony into a receiving room of an adjacent unit.

The prediction can then be done according to ISO 12354-2 [4], considering the sound transmission of each direct and first-degree flanking path. This method allows a prediction both with single number values and frequency dependent values.

For the diagonal transmission two approaches can be chosen. In this paper the model for vertical impact sound transmission is used (Figure 1, Figure 2). The resulting normalized impact sound pressure level is calculated considering the ceiling and all flanking transmission paths according to Equation (1).

The separating building element is the ceiling and the number of flanking paths is determined by the number of radiating walls. The TIE is then considered as a reduction of the direct path and all paths that contain the ceiling, in analogy to a floating floor.

Another way to predict the diagonal transmission from the balcony is to use the EN 12354-2 model for horizontal transmission where only two flanking paths are considered. The effect of the TIE is then described by an insertion loss on the flanking path that contains the ceiling (Figure 3).

𝐿𝐿 n ′ = 10 lg ൭10 𝐿 𝐿 n,d 10 + ෍ 10

𝑛𝑛

൱ in dB (1)

𝐿 𝐿 n,ij 10

𝑗𝑗=1

with 𝐿𝐿 n

′ Normalized impact sound pressure level in the receiving room with flanking transmission 𝐿𝐿 n,d Normalized impact sound pressure level in the receiving room from the direct path 𝐿𝐿 n,ij Normalized impact sound pressure level in the receiving room from the flanking path ij

Δ L

Δ L *

Ff 3,4

TIE

TIE

D

F 2

F 1

F 1

F 2

Vertical transmission

Horizontal Ttransmission

Figure 2: Transmission paths for the vertical approach of the impact sound transmission in buildings.

Figure 3: Transmission paths for the horizontal approach of the impact sound transmission in buildings.

IE

3. LABORATORY TESTS

3.1. Laboratory test set-up In order to define a suitable laboratory test set-up and procedure, the transmission system “thermally insulated balcony” has to be understood thoroughly [5]. Therefore, a laboratory test set-up was built for experimental studies, consisting of a small mockup ceiling and a thermally insulated balcony similar to test set-ups used in [6]. The dimensions of the test set-up and the realization are shown in Figure 4 and Figure 5. The larger reinforced concrete slab represents the ceiling in a building and is supported on elastomer strips on two masonry walls. The mass spring system formed by the elastomer strips and balcony and ceiling has a resonance frequency of 25 Hz [7]. The smaller concrete slab represents the balcony. A laboratory set-up was built with a thickness of 18 cm, termed set-up 1a without TIE and set-up 1b with TIE.

Ceiling

Balcony

200 cm

Fire protection board

Draw force bars Shear force bars Thrust bearings

Ceiling

Balcony

Heat insulation

230 cm

12 cm

140 cm

Figure 4: Dimensions of the laboratory test set-ups; the green bar depicts the TIE for set-up 1b with components.

382 cm

Figure 5: Laboratory test set-up 1b with ISO tapping machine on the reference excitation position and velocity level measurement positions for determination of the impact sound level difference of the TIE (only those on the ceiling required)

3.2. Laboratory test procedure The impact sound level is determined from velocity measurements on the ceiling ( 𝐿𝐿 v ). The sound pressure level radiated from the ceiling into an (imaginary) receiving room below the ceiling can be calculated. After a normalization to the reference absorption area A 0 = 10 m 2 , the normalized impact sound pressure level can be calculated according to Equation (2).

𝑆 𝐴 𝐴 0

𝐿𝐿 n = 𝐿𝐿 v + 10 log 10 𝜎𝜎+ 6 + 10 log 10

in dB (2)

with 𝐿𝐿 n Normalized sound pressure level in the receiving room 𝐿𝐿 v Spatially averaged velocity level on the ceiling (ref 5 ⋅10 −8 m/s) 𝜎𝜎 Radiation efficiency; Assumption 𝜎𝜎= 1 𝑆𝑆 Area of the ceiling 𝐴𝐴 0 Reference sound absorption area in the receiving room: A 0 = 10 m 2

3.2.1 Impact sound level reduction The quantity Δ L , termed impact sound level reduction, is chosen in analogy to a floor covering. Δ L quantifies the reduction of the impact sound level when the balcony as opposed to the ceiling is excited.

The determination of the impact sound level reduction ΔL of the TIE requires two measurements on the set-up 1b with TIE and can be calculated according to Equation (3).

Δ𝐿𝐿= 𝐿𝐿 n0,v −𝐿𝐿 n,v in dB (3) with Δ𝐿𝐿 Impact sound level reduction of the TIE 𝐿𝐿 n0, v Normalized impact sound pressure level on the ceiling with excited ceiling 𝐿𝐿 n, v Normalized impact sound pressure level on the ceiling with excited balcony

L v0

L v

TIE

TIE

Figure 6: Side view of the test set-up 1b) with TIE when excited on the ceiling (left) and on the balcony (right).

3.2.2 Impact sound level difference The quantity Δ L * , termed impact sound level difference, is chosen in analogy to the approach to describe isolating elements for staircases made of reinforced concrete in [8]. Further information on the development of this method is given in [9]. Δ L * quantifies the difference of the impact sound level on the ceiling when exciting the balcony, when the balcony is separated by the TIE relative to a rigid connection between the balcony and the ceiling. This “insertion loss” also called impact sound level difference is notated by an asterisk * .

The determination of the impact sound level difference Δ L * of the TIE requires measurements on set-up 1a without TIE and on set-up 1b with TIE (Figure 7).

Δ𝐿𝐿 ∗ = 𝐿𝐿 n0,v −𝐿𝐿 n,v in dB (4) with Δ𝐿𝐿 ∗ Impact sound level difference of the TIE 𝐿𝐿 n0, v Normalized impact sound pressure level without TIE 𝐿𝐿 n, v Normalized impact sound pressure level with TIE The single number ratings weighted impact sound level difference Δ𝐿𝐿 w ∗ and weighted impact sound level reduction Δ L w are determined according to [10], a standard already used for floor coverings and isolating elements for heavy stairs.

L v

L v0

TIE

Figure 7: Side view of the test set-up 1a without TIE (left) and test set-up 1b with TIE (right).

Both impact sound level difference Δ L * and impact sound level reduction Δ L are determined from velocity level measurements at the same six positions on the ceiling. The ISO tapping machine is positioned diagonally with one hammer at a corner of the balcony or the ceiling (Figure 6, Figure 7) to excite as many eigenmodes as possible and thus simulate a worst case for the impact sound transmission from balcony to ceiling.

The normalized impact sound levels measured on the ceiling are shown in Figure 8 in 1/3-octave- bands from 50 Hz to 5000 Hz. At lower frequencies the levels follow the same trend with peaks and dips varying around 70 dB. Towards higher frequencies, the levels diverge depending on the presence of the TIE between excitation and measurement. If the decoupled balcony is excited, the levels on the ceiling drop below 60 dB. Both the excitement of the rigid balcony and the ceiling result in levels above 70 dB in higher frequencies. Figure 9 shows the impact sound level difference and impact sound level reduction evaluated from the L n,v values shown in Figure 8.

The levels on the ceiling of set-up 1b when the ceiling is excited are very similar to the levels on the ceiling of set-up 1a when the rigidly connected balcony is excited. Therefore, the impact sound level difference Δ L w * and the impact sound level reduction Δ L w show good agreement for most frequencies. The rather large difference in the weighted single value of almost 2 dB results from slightly higher levels on the ceiling by excitation of the ceiling of set-up 1b.

80

20

level L nv in dB (ref = 5e-08 m/s)

Reduction L in dB

Difference L or

Normalized impact sound pressure

70

10

60

0

50

-10

63 125 250 500 1000 2000 4000

63 125 250 500 1000 2000 4000

Frequency f in Hz

Frequency f in Hz

Excitation on the rigid balcony (set-up 1a)

Impact sound level difference

L nv,w = 74.7(-6.1,-5.4) dB

L w = 10.2 dB

Excitation on the decoupled balcony (set-up 1b)

L nv,w = 67(-1.4,-0.4) dB

Impact sound level reduction

Excitation on the ceiling (set-up 1b)

L w = 12.1 dB

L nv,w = 79.9(-11.1,-10.5) dB

Figure 8: Normalized impact sound pressure levels

Figure 9: Impact sound level difference and impact sound level reduction.

3.3. Experimental modal analysis To analyse the vibration behaviour of the test set-up an experimental modal analysis was carried out on both set-ups, with and without insulation elements. For the experimental modal analysis, the velocity at each point of interest is measured while the structure is excited at a reference point with a controlled force signal. The ratio of velocity and force is termed mobility Y . The term input mobility Y P denotes that the force and the velocity are measured at the same point. High mobility values mean that only a little force is necessary to cause a large velocity response and thus peaks in the mobility indicate a resonant behaviour.

The modal analysis can be carried out using the reciprocity principle, by mounting a reference accelerometer at a reference point while exciting every point of interest, e.g. with a force hammer. This latter method was used here for measurement convenience, as this way only one instead of in this case hundreds of accelerometers needs to be attached to the surface. When visualizing the vibration patterns the reciprocity once again comes into play and the reference position of the accelerometer becomes the excitation position. The measurement grid with a grid spacing of 10 cm (Figure 5) results in 819 excitation points with the impact hammer. The reference position of the accelerometer was in the corner of the balcony where the highest vibration amplitudes are expected. The input mobilities at the reference position is shown Figure 10 for set-up 1a (red) and set-up 1b (blue). Examples of vibration shapes at the eigenmodes are shown in Figure 13.

10 -3

Point mobility Y p in ms -1 N -1

10 -4

Measurement without TIE

Measurement with TIE

10 -5

10 -6

16 31.5 63 125 250 500

Frequency f in Hz

Figure 10: Input mobilities for set-up 1a and set-up 1b at the reference position for the experimental modal analysis in the corner of the balcony.

The eigenmodes are shown together with their simulated values in Figure 13. The first eigenmode of set-up 1b, where the balcony oscillates as a cantilever beam, is at about 12.5 Hz and is determined by the torsion spring stiffness of the TIE and the mass of the balcony. Studies performed in [7] showed that this vibration is well perceived by a person standing on the balcony and may result in discomfort. For set-up 1a this problem is not observed as its first resonance is not so pronounced and the frequency is higher.

Investigations based on the Finite Elements Method (page 7) showed that the decoupling of the ceiling and balcony from the masonry walls by the elastomer strips is not yet effective in this low frequency region. This effect was anticipated in the technical design to ensure the following two goals: 1) to be able to measure this cantilever beam vibration as it occurs in buildings in order to get insight into low frequency vibration problems and 2) to be able to measure the structure-borne sound transmission from balcony to ceiling in the common building acoustics frequency range from 50 Hz to 5 kHz without influence of the supporting wall structure.

The vibrations above 50 Hz are dominated by bending modes of the plate(s). Without the TIE, the velocity level amplitudes on the balcony and on the ceiling differ by less than 2 dB. With the TIE, the balcony and the ceiling are effectively coupled in the frequency range from 50 Hz to 400 Hz. Above 400 Hz the vibration amplitudes on the excited balcony are significantly higher than on the ceiling. Here the TIE partially decouples the balcony from the ceiling.

3.4. Finite element simulation To optimize the test set-up as well as the insulation elements themselves, FE Simulations were performed. The optimization of the TIEs will be tackled later in the project. The goal of the simulations was so far to reduce the measurement effort needed to develop an appropriate laboratory test set-up for TIEs, in particular by defining the dimensions of balcony and ceiling elements. Therefore, the thoroughly investigated set-ups 1a and 1b were built with every detail necessary in Comsol® and the modal behaviour, the mobility and the sound pressure levels were simulated.

Figure 11: Whole set-up and detail of the TIE in the finite element simulation.

3.4.1 Validation of the model The comparison between measured and simulated input mobility at the reference position at the corner of the balcony of set-up 1a and 1b are shown in Figure 12. The agreement is very good in almost all frequencies. [11]

10 -3

10 -3

Point mobility Y p in ms -1 N -1

Point mobility Y p in ms -1 N -1

10 -4

10 -4

10 -5

10 -5

10 -6

10 -6

16 31.5 63 125 250 500

16 31.5 63 125 250 500

Frequency f in Hz

Frequency f in Hz

Measurement without TIE

Measurement with TIE

Simulation without TIE

Simulation with TIE

Figure 12: Input mobility of set-up 1a and 1b measured and simulated.

To further validate the FE-simulations the measured and the simulated mode shapes were compared. Both are shown in Figure 13 for set-up 1a and set-up 1b.

Set-up 1a without TIE Set-up 1b with TIE

Measurement Simulation Measurement Simulation

a) f = 15.6 Hz

b) f = 19,1 Hz

c) f = 12.5 Hz

d) f = 13.3 Hz,

η = 4.52

η = 3.72

η = 3.32

η = 1.76

e) f = 58.9 Hz

f) f = 61.4 Hz η = 4.36

g) f = 53.2 Hz

h) f = 55.7 Hz

η = 5.44

η = 5.50

η = 5.76

i) f = 159 Hz η = 2.18

j) f = 156 Hz η = 1.42

k) f = 161 Hz

l) f = 154 Hz η = 1.26

η = 1.68

m) f = 568 Hz

n) f = 576 Hz

o) f = 571 Hz

p) f = 550 Hz

η = 0.98

η = 0.58

η = 1.02

η = 0.52

Figure 13: Vibration shapes of the measured and simulated set-ups 1a (left) and 1b (right) at selected frequencies.

Since the agreement of both the input mobilities and the mode shapes is very good, the velocity levels that result from excitation with the ISO tapping machine were simulated and from this the impact sound level reduction and difference were calculated and evaluated. Figure 14 shows the measured and simulated impact sound level reduction and impact sound level difference values. The methods show a very good agreement in the reduction except at high frequencies. It is assumed that this stems from the measurements since the rigid balcony is less complicated to simulate then the balcony with TIE. With the good agreement between simulation and measurement of all values of interest the simulation model can be considered validated.

20

20

Impact level difference L in dB

Impact level reduction L in dB

10

10

0

0

-10

-10

63 125 250 500 1000 2000 4000

63 125 250 500 1000 2000 4000

Frequency f in Hz

Frequency f in Hz

Measured reduction; L w = 12.1 dB

Measured difference; L w = 10.2 dB

Simulated reduction; L w = 12.2 dB

Simulated difference; L w = 11.6 dB

Figure 14: Measured and simulated impact sound level reduction and difference.

3.4.2 Application of the simulation model Investigations on the test set-up and method were performed using the validated FE model. The decoupling of the whole test set-up from the supporting walls and variations of the size of the test set- up were investigated as well as variations of the excitation position and the position and quantity of accelerometers. 4. BALCONIES IN BUILDINGS

The thermal insulation elements built in houses are chosen depending on static requirements and the specific situation on site. A variety of elements with more or less reinforced bars and thrust bearings can be requested by the manufacturers. A selection of elements along with the impact sound reduction by one manufacturer is shown in Figure 15.

M rd = -46.8, V rd = 87.8

V rd = ±156.8 M rd = ±45.5, V rd = ±117.5

M rd = -57.8, V rd = 125.4

V rd = 68.9 V rd = 136.0

M rd = -61.8, V rd = 125.4 M rd = -80.7, V rd = 112.8

V rd = 156.8 M rd = -57.8, V rd = 139.1

V rd = 56.4 M rd = -40.0, V rd = 62.7

M rd = -36.0, V rd = 62.7

M rd = -18.8, V rd = 50.1 M rd = -18.8, V rd = 50.10

M rd = -48.1, V rd = 62.7

0 2 4 6 8 10 12 14 16

Impact sound level reduction L in dB

Figure 15: Measured impact sound level reduction of different TIEs.

The measured elements have different designs, some are made for point connections, some are made for suspended balconies. The width of the element can also differ depending on the heat insulation required in the building.

The following investigations on the impact sound insulation in buildings will be performed on a different element then the one that was thoroughly investigated to develop the test method and set- up.

In buildings, often not only one kind of TIEs is used to attach the balcony. The combination of different elements follows the static requirements. The acoustical impact of combinations is currently under investigation in the project. First simulations indicate that the sound insulation should be predicted with values of the acoustically worst element. For the measurements shown later, building sites were selected where only one type of elements was installed.

4.1. Measurements on building sites For the project, a building site in Böblingen was found at which only one specific type of TIEs was used for all balconies. The same element was also characterised in the laboratory using the introduced test set-up and methods. Only the impact sound reduction was measured in the laboratory. The laboratory measurement results are shown in Figure 16.

The normalized impact sound pressure levels L nv are slightly lower compared to Figure 8. This can be caused by the height of the concrete slab. The element shown previously was supposed to be built into a 180 mm ceiling, this element is made for a 220 mm concrete ceiling. The lower reduction values Δ L result from the higher load capacity and thus stronger reinforcement of this element compared to the one thoroughly investigated before.

80

20

L nv in dB (ref = 5e-08 m/s)

70

10

L in dB

60

0

50

-10

63 125 250 500 1000 2000 4000

63 125 250 500 1000 2000 4000

Frequency f in Hz

Frequency f in Hz

Reduction; L w = 10.4 dB

Excited ceiling; L nv,w = 72.8(-7,-6.6) dB

Excited balcony; L nv,w = 64.9(-2.5,-1.3) dB

Figure 16: Laboratory results of the TIE also measured in a building.

4.2. Prediction The ISO 12354-2 [4] vertical model takes 4 flanking paths into account. Therefore, the building situation had to be simplified. Windows that cover the full height of the room can be neglected. Flanking paths with the same material and connection type were condensed to a single path, see Figure 17. The balcony is seen as a part of the separating floor and the TIE as a floor covering. This matches the vertical transmission approach shown in Figure 2.

Figure 17: Ground plan and paths for prediction using EN 12354-2.

The agreement of the whole situation on site strongly depends on the measurement of the TIE, since all other elements contribute far less on the total transmitted impact sound [12]. Since the Δ L measured at the test set-up is slightly lower at low frequencies than measured in the building, the normalized impact sound pressure level is slightly overestimated, see Figure 18.

70

Normalzed impact sound pressure level L ' n in dB

60

Measurement on site

L ' nv,w = 57.7 (-5.9;-4.3) dB

50

Prediction

L ' nv,w = 60.9 (-4.4;-3.3) dB

Measurement Ceiling

40

Prediction Ceiling

Measurement flanking paths

Prediction flanking paths

30

20

63 125 250 500 1000 2000 4000

Frequency f in Hz

Figure 18: Measured and predicted normalized impact sound pressure levels.

Concrete Gypsum board ‘Windows (all ight) Separating Separating fo

5. SUMMARY, CONCLUSION, and OUTLOOK

For the acoustical characterization of thermal insulation elements (TIE) of balconies, a laboratory test set-up and method are proposed that can be used for product labelling and to predict the impact sound transmission in buildings using EN 12354-2 respectively. The quantities suggested, the weighted impact sound level difference ( Δ𝐿𝐿 w ∗ ) and weighted impact sound level reduction (Δ L w ), which for the tested TIEs are around Δ𝐿𝐿 w ∗ ≈Δ𝐿𝐿 w = 10 dB, are determined from velocity level measurements on the laboratory test set-up. Much trust is placed in the finite element simulations as the measured results on the laboratory test set-ups are in very good agreement with the finite element simulations. Therefore, various studies could be carried out with the FEM, such as investigations on the validation of the test set-up.

The value Δ L was used successfully to predict the impact sound transmission in a real building. An overestimation of the L ’ n,w of roughly 3 dB leads to planning on the safe side. Further measurements in buildings will be carried out in order to validate the approach for the prediction using the here proposed input data. Finally, the developed methods will be used to optimize TIE elements with respect to its sound insulation properties.

6. ACKNOWLEDGEMENTS

This project is supported by the German Ministry of Education, Science, Research and Technology (BMBF). The measurements on site were performed with the permission of Böblinger Baugesellschaft mbH and Gottlob Rommel Bauunternehmung GmbH & Co. KG

7. REFERENCES

1 Deutsches Institut für Normung DIN 4109:2018-01 , Schallschutz im Hochbau, Berlin: Beuth

Verlag GmbH (2018). 2 Blessing, S. Balkone in der DIN 4109 in DAGA , Munich (2018). 3 European Organisation for Technical Assessment EAD 050001-00-0301, Load bearing thermal

insulating elements which form a thermal break between balconies and internal floors, Brüssel, Draft (2021). 4 International Organization of Standardization ISO 12354-2:2017 , Building acoustics - Estimation

of acoustic performance of buildings from the performance of elements, Geneva (2017). 5 Heidemann, L., Zeitler B. & Scheck J. Trittschalldämmung von thermisch getrennten

Balkonplatten in DAGA , Hannover (2020). 6 Schneider, M. & Fischer, H.-M. Vibration reduction of thermal break balcony connections in

Acoustics'08 , Paris (2008). 7 Kluth, M.S. Schwingungsverhalten von thermisch getrennten Balkonplatten, Bachelor Thesis

University of Applied Sciences Stuttgart (2016). 8 Deutsches Institut für Normung DIN 7396:2016-06 , Bauakustische Prüfungen - Prüfverfahren

zur akustischen Kennzeichnung von Entkopplungselementen für Massivtreppen, Berlin: Beuth Verlag GmbH (2016). 9 Maack, J., Möck, T. & Scheck, J. Trittschallschutz in Bauphysik Kalender , Berlin, Ernst & Sohn,

pp. 235 - 313.(2020) 10 International Organization of Standardization ISO 717-2:2020 , Acoustics - Rating of sound

insulation in buildings and of building elements, Geneva (2020). 11 Heidemann, L., Zeitler B. & Scheck J. Simulation der Trittschalldämmung von Balkonen in

DAGA , Vienna, (2021). 12 Heidemann, L., Zeitler B. & Scheck J. Prognose der Trittschalldämmung von Balkonen in DAGA ,

Stuttgart, (2022).