Welcome to the new IOA website! Please reset your password to access your account.

A fully-coupled vibro-acoustic model of an electronic stethoscope

Snehashis Mukherjee 1

Department of Mechanical Engineering Indian Institution of Technology Palakkad India 678557

Dr. Anoop Akkoorath Mana 2

Department of Mechanical Engineering Indian Institution of Technology Palakkad India 678557

ABSTRACT

A piezoelectric based stethoscope picks pressure fluctuations originating from the patient and the physician sides. This may include unwanted acoustic signals from the patient and the doctor sides of the stethoscope, which needs to be filtered either electronically or mechanically by appropriately designing the vibro-acoustic elements of the electronic stethoscope. This work intends to establish a mathematical model of the piezoelectric stethoscope. Initially, a multi-degrees of freedom vibration model of the electronic stethoscope is developed. The model is used to compute the response of the piezoelectric plate due to the pressure excitations on the input side and that due to the displacements of the connected mechanical elements in the stethoscope. Further, a two-port lumped parameter model of the piezoelectric composite plate is developed to compute the output voltage created by the displacement of the piezoceramic disc. Here, an axisymmetric plate model is used to find the displacement of the piezoelectric composite plate. Subsequently, the vibration and the lumped parameter piezoelectric models are combined to represent the fully-coupled vibro-acoustic characteristics of the piezoelectric stethoscope. The model is further used to predict the voltage output from the piezoelectric stethoscope for certain pressure excitation at the patient side.

1. INTRODUCTION

A stethoscope is the most common and crucial medical instrument that physicians use to primarily identify a prevailing medical condition of a patient. The design of an acoustic stethoscope is simple and effective [1]. There are two parts to an electronic stethoscope- (a) the chest piece, which works as a diaphragm and receives the signal, generated by the heart, (b) the bin-aural tube, which amplifies and transmits the sound to the physician’s ears.

The noise cancellation and sensitivity of the chest piece are not very effective in the acoustic stethoscopes. A piezoelectric-based electronic stethoscope comes in handy here. The electronic signals generated by a piezoelectric stethoscope may be filtered or amplified appropriately to the specific requirement of a medical condition.

1 snehashismukherjee1999@gmail.com / 131801028@smail.iitpkd.ac.in

2 akkoorath@iitpkd.ac.in

21-24 AUGUST SCOTTISH EVENT CAMPUS ? 02 ? GLASGOW

21-24 AUGUST SCOTTISH EVENT CAMPUS ? 02 ? GLASGOW

The current work aims to develop a mathematical model of the piezoelectric stethoscope. The mathematical model has two components- (a) a multi-degrees of freedom vibration model of the stethoscope and (b) a two-port lumped parameter model of the piezoelectric composite plate (unimorph). Subsequently, the vibration and the lumped parameter piezoelectric models are combined to represent the fully-coupled vibro-acoustic characteristics of the piezoelectric stethoscope. The model is further used to predict the voltage output from the piezoelectric stethoscope for certain pressure excitation at the patient side.

L,=a J] - Vv

2. THE MULTI-DEGREES OF FREEDOM VIBRATION MODEL

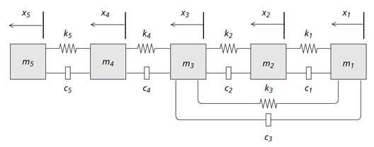
The electronic stethoscope consists of five parts: piezoceramic disc ( m 2 ) , steel plate ( m 1 ), transducer housing ( m 3 ), the foot ( m 4 ) and chest piece ( m 5 ). The mechanical model of the electronic stethoscope is established by creating a multi-degrees of freedom vibration model. The model (see Figure 1) deals with five discrete masses which are connected with one another via the spring-mass-damper system. This model is derived to study the response of the piezoceramic plate due to given excitation on the steel plate. Next, we derive the forced vibration equation of motion of this model.

Figure 1: The multi-degrees of freedom vibration model.

The Lagrange's equation [2]:

. (1)

, (2) where T = kinetic energy, V = Potential energy, Q = Work done. Further, the T , V and Q are derived and substituted in Eq. (1) to obtain the equation of motion of the system:

, (3) where,

, ,

x5 xa x x . Wwf m x . } AW tw m co ka m3 : @ ks ma 7 ms 6% G

21-24 AUGUST SCOTTISH EVENT CAMPUS ? 02 ? GLASGOW

, , , k 5 is the stiffness coefficient between chest piece housing and foot, k 4 is the stiffness coefficient between foot and transducer housing, k 3 is the stiffness co-eff. between transducer housing and steel plate, k 2 is the stiffness coefficient between transducer housing and piezo, and k 1 is the stiffness coefficient between piezo and steel plate [3].

For starting the analysis, the equation of motion of the vibrational model should be represented as a state-space model. In this case, the vibrational model state is:

Tr iy ay li WwW F=| #, IF Pp | JP medic p

. (4) The state-space representation of the differential equation (Eq. (3)) related to the vibrational model is given as follows:

, (5) where,

, , .

3. THE LUMPED PARAMETER PIEZOELECTRIC MODEL

3.1 Two-port Electro-acoustic Model of the Piezoelectric Device

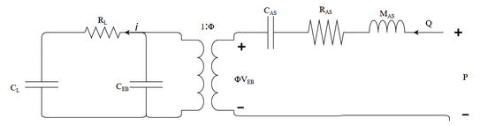
To convert the pressure pulses into voltage signals we consider a piezoceramic devices. The output voltage from the piezo is proportional to the strain due to bending. The Lumped Element Model (LEM) of piezoelectric material has been discussed in [4] but in the LEM the z-dependence of the material properties has been omitted. In this article, we focused on studying the system including the z-dependence of the material properties. The specific piezo element within this stethoscope is taken as an axisymmetric piezo unimorph. To construct the output equation of the piezoelectric model, we assumed that the piezo is a LEM. This LEM gives us the freedom to construct an equivalent two-port electrical circuit (see Figure 2) and to provide a simple method to calculate the voltage output of the piezo for design and optimisation. In the two-port LEM model, there are two domains,

● Input domain or the acoustic domain: The parameters of this domain are C AS = the short circuit acoustic compliance, M AS = the acoustic mass, P = the pressure load on the plate, R AS = acoustic resistance, and Q = volume velocity. ● Electric domain or the output domain: The output voltage is the voltage across the C EB (the electrical capacitance of the piezo). Also to account for the loss and the effect of measuring the voltage, one Resistor ( R L ) and one Capacitor ( C L ) are added to the circuit [3]. An ideal transformer with turn ratio Φ is used to connect the electrical domain to the acoustic domain.

21-24 AUGUST SCOTTISH EVENT CAMPUS ? 02 ? GLASGOW

Figure 2: Two-port electro-acoustic model of the Piezo.

The electric domain circuit is a CR circuit with two capacitors C L and C EB and one resistance R L . V EB is the voltage across the piezo. The equation for the CR circuit is as follows:

, (6) where . So, by substituting the V EB we can get: 𝑉 𝐸𝐵 = ᶲ𝑄

𝐶 𝐸𝐵

. (7)

The acoustic domain is an LCR circuit. The equation for the LCR circuit is:

. (8)

We have thus derived an equation to relate the electrical and the acoustic domains of the two-port model. The electric and the acoustic parameters C AS , M AS , R AS , d A can be computed using the expressions presented in [4]. The above parameters depend on the transverse deflection ( w ( r )) of the piezoelectric composite plate (unimorph). In the next section, we derive the expression for the transverse displacement of the unimoph for pressure excitation on the patient side.

3.2 Transverse Deflection of the Piezoelectric Unimorph

The unimorph and the pressure excitation are shown in Figure 3. While computing the transverse displacement, the unimoph is divided into two parts- (a) an annular shim region (denoted with ‘ s ’ superscript) and (b) a composite plate (denoted with ‘ c ’ superscript). The two parts of the unimorph are shown in Figure 4. In this paper, we model the unimorph using an axisymmetric plate theory.

The equilibrium equations of the circular plate are [5]:

. (9)

, (10) where N r and N 𝜃 are the forces applied in the radial and circumferential directions, respectively, M r and M 𝜃 are the moments in the radial and the circumferential direction and Q r is the shear force

Cu

21-24 AUGUST SCOTTISH EVENT CAMPUS ? 02 ? GLASGOW

applied in the transverse direction [5]. In this model, we apply a uniform pressure P on the steel plate. Therefore, the shear force Q r = . The forces and the moments are substituted in Eqs. (9) 𝑃𝑟

2 and (10) to obtain the differential equations in terms of the displacement ( u ( r )) and the slope ( ( r )) 𝜃 of the unimorph. They are:

Piezo \ Steel Plate : Os ! ! 2) =

Figure 4: Two parts of the piezoelectric unimorph.

Figure 3: Cross-sectional view of axisymmetric piezoelectric unimorph.

, (11)

, (12)

11 = reduced bending stiffness. The above equations are solved along with the 𝐵 11 𝐴 11 compatibility equations at the interface assuming a clamped boundary conditions. Further, the transverse deflection of the unimorph can be derived from integrating the slope ( r ). The 𝜃 expressions for the transverse displacement at the composite plate and the annular shim regions are given by:

where 𝛼 = and D r

(13)

. (14) In the next section, we combine the multi-degrees of freedom vibration model and the lumped parameter piezoelectric model and represent using a state-space equation.

4. STATE SPACE MODEL OF THE STETHOSCOPE

The combined model state is defined as:

. (15) The state-space representation of the differential equations related to the combined stethoscope

21-24 AUGUST SCOTTISH EVENT CAMPUS ? 02 ? GLASGOW

model is given as follows [6]:

. (16) , (17) where V is the voltage output of the piezoelectric device,

, , ,

, , ,

, . The state-space equations (Eq. (16) and Eq. (17)) are further transformed from the time domain to the Laplace domain and solved for the voltage output. The ratio of the output voltage V and patient side excitation F m is known as the patient side transfer function ( H p ) [3] and is given by [6]

−1 )𝐵 𝑐 The frequency response function may now be calculated as FRF = 10 log 10 ( H p ).

H p = . (18) 𝐶 𝐶 ((𝐼ꞷ − 𝐴 𝐶 )

2 on Bo =| yy Dem, Brn.

5. RESULTS AND DISCUSSIONS

5.1 Validation of the Transverse Deflection of the Unimorph

As we discussed earlier, the acoustic mass, acoustic compliance, and acoustic resistance are dependent on the transverse deflection w ( r ) of the plate. The transverse deflection of the plate is given by Eq. (13) and Eq. (14). Figure 5 shows the deflection of a piezoelectric unimorph (APC 850) under pressure excitation. The unimorph dimensions, mechanical properties and applied pressure are given in Table 1. Figure 5 also depicts the displacement of the unimorph obtained from a finite element analysis performed with the help of a commercial software (ANSYS WORKBENCH). The theoretical predictions agree very well with the FEM model of the axisymmetric piezoelectric unimorph with a displacement error of 0.32% at r = 0 (central deflection). The proposed model predictions are better than that reported in [5], where the error in central deflection was 3%. The predictions are better with the present model as we have included the effect of material property variation in the unimorph displacement. Figure 6 shows the deflection in the unimorph alongside its undeformed configuration for the same pressure loading.

Table 1: The unimorph dimensions, material properties, and the applied pressure [4, 7]

Geometrical properties

R 2 (Outer radius) 11.5 mm

R 1 (Inner radius) 10.0 mm

h s (Thickness of the steel plate) .20 mm

h p (Thickness of piezoelectric plate) .23 mm

Mechanical properties of the unimorph APC 850 APC 855

E s (Elastic modulus of the steel plate) 90 GPa 90 Gpa

E p (Elastic modulus of the piezo) 63 GPa 59 GPa

𝜌 s (Density of the steel plate) 8700 kg/m 3 8700 kg/m 3

𝜌 p (Density of the piezo) 7700 kg/m 3 7600 kg/m 3

The applied pressure 1 Pa

21-24 AUGUST SCOTTISH EVENT CAMPUS ? 02 ? GLASGOW

Figure 5: The comparison between the theoretical model and the FEM model w (r) of the unimorph axisymmetric model of the piezoelectric plate.

Figure 6: The undeformed and deformed shape of the piezoelectric plate.

5.2 Frequency Response Function for the Patient Side Excitation

In this section, we present the frequency response function (FRF) of the piezoelectric stethoscope for a unit pressure excitation at the patient side. Figure 7 shows the FRF when an APC 850 piezoelectric device is used in the stethoscope. It can be seen that the FRF increases with frequency and attains a maximum at the resonance of the acoustically loaded piezoelectric unimorph (3798 Hz). The slope of the FRF is fairly constant at lower frequencies and is equal to 28 dB per decade. This slope is close to the 25 dB/decade that was reported experimentally for a stethoscope [3]. In the FRF spectrum, several peaks and valleys can be observed in the vicinity of the unimorph resonance frequency. These peaks (at 1997 Hz and at 3386 Hz) correspond to the resonances of the multi-degrees of freedom mechanical system representing the piezoelectric stethoscope represented by Eq. (3).

te-10 [wien — Fem — Theoritical 0.000 0.002 0.004 0.006 r 0.008 0.010

It is important to note that the axisymmetric model of the piezoelectric unimorph is valid only below the first resonance of the acoustically loaded unimorph. Beyond this frequency, the model predictions are too small as compared to a three-dimensional model of the unimorph. This is evident by the sudden decrease in the voltage output beyond 3798 Hz.

Iwan) te-10 0010 -0.005 0.600 0.005 0.010 Diameter of piezoelectric unimorph(m)

21-24 AUGUST SCOTTISH EVENT CAMPUS ? 02 ? GLASGOW

Figure 8. FRF of the piezoelectric stethoscope with APC 850 and APC 855 unimorphs.

Figure 7. FRF of the piezoelectric stethoscope with APC 850 unimorph.

A similar analysis is performed on the stethoscope when an APC 855 piezoelectric unimorph (see Table 1 for the mechanical properties) is used. The FRF with the new unimorph is shown in Figure 8 alongside that for APC 850 unimorph. A small amplification (~4.9 dB) is observed in the FRF at the resonance frequency of the acoustically coupled unimorph (4023 Hz).

6. CONCLUSION

In this work, we have developed a fully-coupled vibro-acoustic model of a piezoelectric stethoscope. The complete model consists of a multi-degrees of freedom vibration model of the mechanical components and a two-port lumped parameter model of the piezoelectric composite plate (unimorph) used in the electronic stethoscope. The transverse displacement of the unimorph to pressure excitation is modeled using an axisymmetric model of a circular plate accounting for the variation in material properties in the unimorph. The unimorph transverse displacement predictions agree very well with the finite element model predictions. A governing differential equation in state-space form is derived by combining the two subsystem models. The state-space equation is further used to compute the voltage output from the piezoelectric device for a pressure excitation at the patient side. The voltage output is presented as a frequency response function (FRF). It is observed that the FRF peaks at the resonance frequency of the acoustically loaded unimorph.

104 103 10? 10 es 2e¢ eg 8 °9 S fS & § (gp)epnyubew -40 -60 Frequency(Hz)

7. REFERENCES

1. Leng, Tan, Chai, Chao Wang, Ghista, and Zhong, The electronic stethoscope, 2015. 2. Leonard Meirovitch. Fundamentals of vibrations. Waveland Press, 2010. 3. Nelson, Rajamani, and Erdman. Vibro-acoustic model of a piezoelectric-based stethoscope for

chest sound measurements. 26(9):095701, 2015. 4. Prasad, Gallas, Horowitz, Homeijer, Sankar, Cattafesta, and Sheplak. Analytical electroacoustic

model of a piezoelectric composite circular plate. AIAA journal, 44(10):2311–2318, 200. 5. Timoshenko, Woinowsky-Krieger, et al. Theory of plates and shells, 1959. 6. Ogata et al. Modern control engineering, volume 5., 2010. 7. https://www.americanpiezo.com/apc-materials/choosing-an-apc-material.html

magnitude(d8) 60 — apc sso === APC 855 10? Frequency(Hz) 103 104