Welcome to the new IOA website! Please reset your password to access your account.

Active control of interior road noise using the remote microphone technique

Zhe Zhang 1 CATARC No.68 Xianfeng Road, Tianjin, China

Chenlu Shi 2 CATARC No.68 Xianfeng Road, Tianjin, China

Xiao Lv 3 CATARC No.68 Xianfeng Road, Tianjin, China

Zihong Ling 4 CATARC No.68 Xianfeng Road, Tianjin, China

ABSTRACT This paper is dedicated to investigating the application of the remote microphone technique in the active control of random road noise in a vehicle cabin. Particularly, we are interested in the causality requirement that needs to be satisfied. For this purpose, a multichannel feedforward active road noise control system was built, where the remote microphone technique was used to estimate the noise disturbance at the passenger’s ear positions without direct deployment of error microphones. This was carried out by formulating the so-called optimum filter between the virtual error microphones at the ear positions and the monitoring ones on the headrest, ceiling and passenger seat. The system was tested under different conditions and the causality error was encountered in one test case where the control system went unstable. A correlation analysis was conducted to align the time sequence between signals at different microphones, i.e., making the optimum filter causal. With this modification, a decent noise attenuation performance was achieved.

1. INTRODUCTION

The remote microphone technique (RMT) enables an accurate estimation of the sound signal at the remote virtual microphones using an array of monitoring microphones, as long as the sound field

1 zhangzhe2021@catarc.ac.cn

2 shichenlu@catarc.ac.cn

3 lvxiao@catarc.ac.cn

4 lingzihong@catarc.ac.cn

D icertirell Ve e ! inter.noise 21-24 AUGUST SCOTTISH EVENT CAMPUS GLASGOW

being sensed is sufficiently uniform so that there is a strong spatial correlation between different microphone signals [1]. An example would be the local active road noise control (ARNC) at the passengers’ ears in a vehicle cabin [2]. This requires the design of an observation filter which is supposed to be robust to the details of the stochastic road noise being sensed, especially given that the potential sources are fully or partially correlated. Another requirement of equal importance is the fulfillment of causality between signals at different microphones. This could be tricky given the complexity of the transmission paths from the potential sources to the microphone positions. In this paper, a multichannel ARNC system with the application of RMT was built in a regular- sized passenger car. A detailed description of the system is given in Section II. We were particularly interested in the relationship between system stability and causality, and a case study on this issue was carried out to investigate the time sequence of signals collected at different microphones and the corresponding noise attenuation performance. This investigation constitutes the main contribution of this paper. More details on this regard is given in Section III.

2. ARNC SYSTEM

A layout of the ARNC system used for the study is shown in Figure 1. It was a local system implemented in the rear right seat of a passenger car. Microphone 1 and 2 attached to the dummy ears were two virtual error microphones used for filter training, and microphone 7 to 11 located on the headrest, passenger seat and vehicle ceiling were monitoring microphones used for the estimation of signals at the ear positions. Two loudspeakers used as secondary sources were located adjacent to the headrest, which is not shown in this figure .

Figure 1: Layout of the ARNC system.

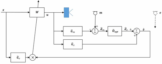
The system was built based on a combination of the feedforward filtered-reference least mean square (FxLMS) algorithm and RMT. A block diagram of this combined algorithm is given in Figure 2. In the algorithm, the complex error signals � at the ear positions and monitoring signals � at the monitoring microphones can be estimated using

�ො= � ෡ � + � ෡ � � ,

�ෝ= � ෡ � + � ෡ � � ,

(1)

(2)

where ෡ indicates an estimation of the true value, � ෡ � and � ෡ � are the estimated disturbance at the error and monitoring microphones caused by the primary sources (the road noise), and � ෡ � and � ෡ � are the plant response between the secondary sources and the error and monitoring microphones. Assuming the interior sound field of the vehicle cabin is sufficiently uniform, leading to a strong spatial correlation between the signals at the error and monitoring microphones, the disturbances � ෡ � and � ෡ � at any given frequency can be connected via the so-called observation filter � ෡ in the form

� ෡ � = � ෡ � ෡ � , (3)

where � ෡ can be determined using

� ෡ = � � � � � � � � � � + ��

−1 . (4)

In Equation 4, � � � � � is the cross spectral density matrix between � ෡ � and � ෡ � , � � � � � is the power spectral density matrix of � ෡ � , � is the identity matrix and � is the regularization coefficient used to suppress the potential numerical stability problem resulted from the inversion of � � � � � , which is ill- conditioned in most cases. With the disturbance at the ear positions accurately estimated, the optimum time-domain controller filter can be derived as

� ��� (�+ 1) = � ��� (�) + α�(�)�(�) , (5)

where � represents a certain time step, α is the iteration step coefficient and �(�) is the filtered reference signal. A detailed deduction of Equation 5 can be found in [2].

Figure 2: Block diagram of the feedforward filtered-reference LMS algorithm combined with RMT.

3. CAUSALITY ANALYSIS

The ARNC system introduced in Section II was tested under different conditions. In one particular test case where the dummy head was moved forward by approximately 10 cm, the ARNC system went unstable, as can be seen in Figure 3 where the noise level at the ear positions was much higher with the ARNC system switched on than off.

alpha=1-L 80 —— RNC off RNC on 70 60 SPL (dB(A)) 5 8 8 8 y 8 100 200 300 400 frequency (Hz)

Figure 3: The noise level at ear positions in one test case where the ARNC system went unstable

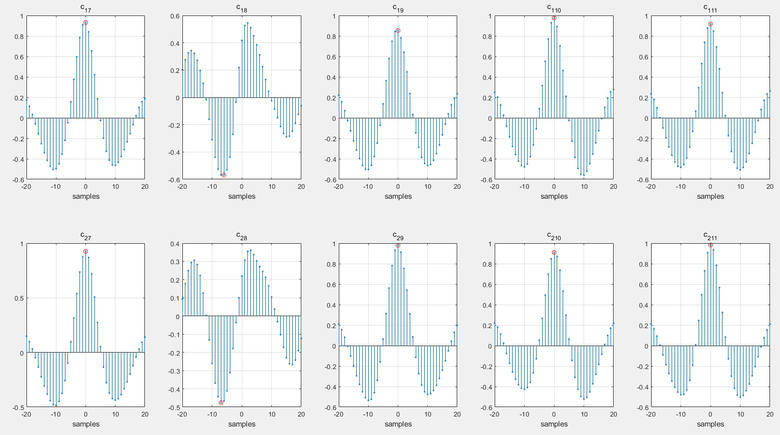
(left: left ear; right: right ear). To find out the reason behind such phenomenon, we first compared the measured and estimated disturbance at the ear positions, i.e., � � and � ෡ � , as shown in Figure 4. It is clear that the estimation was sufficiently close to the measurement result, i.e., the optimum filter could deliver an accurate estimation of the disturbance (at least in a mathematical sense). However, an accurate estimation does not necessarily mean the observation filter � ෡ was correctly designed. This was proved by checking the cross-correlation between the error and monitoring microphone readings, which is shown in Figure 5. As can be seen, the maximum cross-correlation coefficient for monitoring microphone 8 was found on the negative half of the abscissa axis,

alpha=1-R 80 70 60 SPL (dB(A)) 6 8 8 8 y 8 —— RNC off RNC on 100 200 frequency (Hz) 300 400 500

indicating that in this particular case the noise reached the error microphones prior to monitoring microphone 8, i.e., the causality requirement was violated.

Figure 4: The measured (blue) and estimated (green) disturbance at the ear positions.

: i iv vi 4 i Y" uv Y i : i ue f vy ivy | i 4A N Rie 7 j : i Le iv VV Vivy

Figure 5: The cross-correlation between the error and monitoring microphone readings as a

function of the delay (in samples).

For the sake of fulfilling the causality requirement, the disturbance at the ear positions was zero- padded with 10 samples to align � ෡ � and � ෡ � in the time sequence when calculating the optimum filter. With this modification, the ARNC system was calibrated and tested again, which ran stable under all tested conditions, and the best noise attenuation performance achieved was an approximate 3 dB reduction between 50 to 500 Hz, as shown in Figure 6.

SPL (dB(A)) 55 50 rs & & é e & 2 8 v a 20 alpha=1-L —— RNC off RNC on 100 200 frequency (Hz) 300 400 500

Figure 6: The noise level at ear positions with the optimum filter modified (left: left ear; right: right

ear).

SPL (dB(A)) 55 50 fs & S é 2 & 2 8 y a 20 alpha=1-R —— RNC off RNC on 100 200 frequency (Hz) 300 400 500

4. CONCLUSIONS

This paper is mainly focused on the causality issue in the application of RMT in active road noise control. It is found that even a mathematically accurate estimation of the ear position disturbance could possibly trigger a system stability failure, and only when the time sequence of the disturbance at the error and monitoring microphones are aligned so that the optimum filter becomes causal can the ARNC system deliver a decent noise reduction performance.

5. REFERENCES

1. Danielle, M, Ben, C, Anthony, Z and Cornelis, P. A review of virtual sensing algorithms for

active noise control , Algorithms , 1 , 69-99 (2008). 2. Woomin, J, Stephen, E, and Jordan C. Combining the remote microphone technique with head-

tracking for local active sound control. The Journal of the Acoustical Society of America, 142(1) , 298-307 (2017).