Welcome to the new IOA website! Please reset your password to access your account.

Limitations of FxLMS in feedforward active vibration control of a nonlinear two degree of freedom system

Xander Pike 1 , Jordan Cheer 2

Institute of Sound and Vibration Research, University of Southampton University Road, Southampton, SO17 1BJ, United Kingdom

ABSTRACT Active control systems are often used to surmount the challenges associated with passive noise and vibration control measures to control low frequency disturbances, since they achieve control without the application of large or heavy control treatments. Historically, linear active control strategies have been used in feedforward control systems to drive the control source to minimise the signal measured at the error sensor. Amongst the various control algorithms available, the Filtered-reference Least Means Squares (FxLMS) algorithm has become extremely popular in the last few decades due to its relatively good performance and high level of robustness, as well as simplicity in both design and application. However, when the system under control contains nonlinearities, either in the primary or secondary paths, the performance of the FxLMS algorithm can degrade dramatically. This paper explores the performance limitations of the FxLMS algorithm when applied to the control of a two degree of freedom mass-spring-damper system with linear and cubic nonlinear sti ff ness terms. The aim of this study is to improve understanding of and inspire better design of nonlinear control systems. The e ff ect of the nonlinearity on the statistical uncertainty in the plant model is discussed, as well as the e ff ect on reliable control performance.

1. INTRODUCTION

Sources of noise and vibration can be problematic in engineering applications, as well as in daily life. Exposure to loud or unpleasant noise can have a detrimental e ff ect on both the quality of life and health of individuals. Unwanted vibration within engineering systems can result in reduced performance in, or damage to, the systems over time. It is therefore desirable to minimise such noise and vibration where possible. Passive control solutions can help to minimise such noise and vibration, but may become overly large or heavy when required to control low frequencies. To overcome these limitations, active noise and vibration control systems may be implemented, which can have greater performance at low frequencies under these constraints. Active control systems, in general, aim to produce an ‘anti-noise’ signal at the measurement point, so as to minimise a measured error signal. This error signal may be an acoustic disturbance,

1 ap1u20@soton.ac.uk

2 j.cheer@soton.ac.uk

a slaty. inter.noise 21-24 AUGUST SCOTTISH EVENT CAMPUS O ¥, ? GLASGOW

displacement of an oscillating system, or some other time-dependent metric which it is desirable to minimise. Since its early development in the late 20 th century [1], the Filtered-reference Least Mean Square (FxLMS) algorithm has become extremely popular and well-known due to its simple application, low computational load and robustness. This algorithm uses a model of the system plant to adaptively produce a Finite Impulse Response (FIR) control filter. FxLMS has been well studied for linear systems and causes of low performance or failure of the algorithm are well understood [2–4]. However, nonlinearities, either in the primary or secondary path, can have a significant impact on the results of the algorithm [5–7]. A number of papers have investigated the performance of the FxLMS algorithm in control of nonlinear systems [5,8,9]. However, the focus of such work has tended to be on nonlinearities within the plant of acoustic control systems [10,11]. This is well justified, as a typical source of nonlinearities is saturation in the control loudspeakers or actuators. However, nonlinearities may also arise within the primary path of a system [12] and, in the case of a vibration control system, such a nonlinearity may be coupled to the plant. In this paper, a simple model of a nonlinear vibration control system is simulated and studied. In Section 2, a theoretical overview of the FxLMS algorithm is given. In Section 3, the vibration system under control and the method of simulation are described. In Section 4, the e ff ect of the nonlinearity on adaptive plant modelling is discussed. In Section 5, the e ff ect of the nonlinearity on control performance is explored. Section 6 presents conclusions from the work.

2. THEORY

2.1. FxLMS Overview A typical block diagram of a feedforward active control system is given in Figure 1. In the time domain, this system may be described as

e [ n ] = d [ n ] + h T [ n ] r [ n ] (1)

where h T [ n ] is a row vector of the I FIR control filter coe ffi cients of value h i [ n ] at time index n , and r [ n ] is a column vector of the last I samples of r [ n ], being the the reference signal x [ n ] filtered by the plant of the system

L − 1 X

r [ n ] = g T x [ n ] =

i = 0 g i x [ n − i ] (2)

where g T is a row vector of length L describing the impulse response of the system plant with individual coe ffi cients g i . A cost function J is defined as the expectation of the square error signal in the time domain

J = E [ e 2 [ n ]] (3)

and, assuming a purely linear and time invariant noiseless system, it can be shown that this cost function can be written in Hermitian quadratic form as a quadratic function of the controller coe ffi cients h [ n ]. This cost function is guaranteed to have a global minimum if the autocorrelation matrix R = E [ r [ n ] r T [ n ]] is positive definite. This minimum can be approached iteratively by updating the controller coe ffi cients h [ n ] according to the FxLMS algorithm

h [ n + 1] = h [ n ] − α ˆ r [ n ] e [ n ] (4)

where ˆ r [ n ] is a column vector of the previous L samples of the reference signal x [ n ], filtered by an appropriate model of the plant, which in the time domain can be expressed as

L − 1 X

ˆ r [ n ] = ˆ g T x [ n ] =

i = 0 ˆ g i x [ n − i ] (5)

where ˆ g is a model of the true plant g .

Figure 1: Typical block diagram of a feedforward control system.

2.2. Plant Modelling To generate ˆ r [ n ] for the FxLMS algorithm, it is first necessary to identify a plant model ˆ g . One way this can be accomplished is by using an LMS algorithm. The plant model may be identified by means of the process described by the block diagram in Figure 2, where v [ n ] is some identification noise output from the controller, y [ n ] is the plant model filtered identification signal, e [ n ] is the plant filtered identification noise, and e p [ n ] is the plant modelling error. From Figure 2, the plant modelling error may be expressed as

e p [ n ] = e [ n ] + ˆ g T v [ n ] , (6)

where v [ n ] is a vector of the previous L samples of the signal v [ n ]. As in the FxLMS algorithm, by defining a cost function J = E [ e 2 [ n ]] and assuming that the plant is linear and time invariant, it can be shown that an optimal linear model of the plant can be approached as

ˆg [ n + 1] = ˆg [ n ] − ϵ v [ n ] e p [ n ] , (7)

where ϵ is the convergence parameter.

2.3. Estimation of α max and ϵ max Assuming a linear system, and therefore a quadratic cost surface, there is a limit to the speed at which a gradient descent algorithm may converge whilst still maintaining stability. This limit depends on the shape of the cost surface of the algorithm. For the FxLMS algorithm, this limit may be shown to depend on the eigenvalues of the symmetric autocorrelation matrix R = E [ r [ n ] r T [ n ]]. The maximum value of the convergence coe ffi cient of the FxLMS algorithm is given by

α max = 2 λ max (8)

where λ max is the maximum eigenvalue of the autocorrelation matrix R . It can further be demonstrated that a convenient approximation to this expression, which does not require eigenvalue calculation, is

xo} Primary Path Controller utr

Figure 2: Typical block diagram of plant identification.

α max = 2

Ir 2 (9)

In some cases, it may be more practical to replace r with ˆ r which will still provide a good approximation of α max provided the plant model ˆ g is su ffi ciently accurate. A similar approximation may be made for the maximum convergence parameter ϵ max used in the plant response identification LMS algorithm described above, to give

ϵ max = 2

Lv 2 (10)

Throughout all of the results presented below, the value of α used was set at α = 0 . 025 · α max , which was found to be close to the limit of stability across all simulations. Similarly, the value of ϵ used was set at ϵ = 0 . 5 · ϵ max , which was found to be stable and produced su ffi ciently fast convergence across the full range of values of v RMS simulated.

3. SYSTEM & SIMULATION METHOD

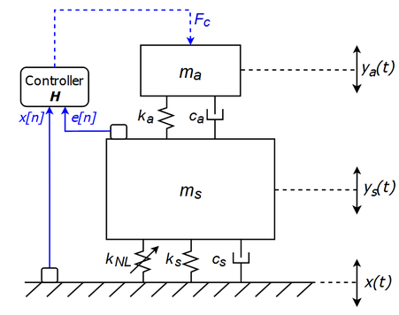
3.1. System The simulated system consists of a Du ffi ng-like oscillator attached to a randomly vibrating floor, as shown in Figure 3. A ‘structural’ mass m s is coupled to the floor via a linear spring and damper, and a cubic spring. This mass is further coupled to a second ‘actuator’ mass m a via a second linear spring and damper pair. The equations of motion of the system are given by

m a ¨ y a ( t ) + k a p ( t ) + c a ˙ p ( t ) = F c ( t ) (11)

m s ¨ y s ( t ) + k s q ( t ) + k NL q 3 ( t ) + c s ˙ q ( t ) − k a p ( t ) − c a ˙ p ( t ) = 0 (12)

where y a ( t ) is the displacement of actuator mass, y s ( t ) is the displacement of the structural mass, x ( t ) is the displacement of the vibrating floor, p ( t ) = y a ( t ) − y s ( t ) and q ( t ) = y s ( t ) − x ( t ). F c ( t ) is a control force applied directly to the upper, ‘actuator’ mass, m a , which models an idealised actuator. The parameters of the system are given in Table 1, and it is worth noting that the actuator mass m a and sti ff ness k a have been based on the Data Physics GW-IV40 / PA30E inertial shaker.

Plant eln] G + unl eo epln] f q Plant Model yin]

Table 1: Parameters of the simulated system.

Parameter Symbol Value

Actuator mass m a 1 . 21 kg

Structural mass m s 5 kg

Actuator sti ff ness k a 4 . 3 · 10 4 N m − 1

Structural sti ff ness k s 10 6 N m − 1

Nonlinear sti ff ness k NL 5 · 10 9 N m − 3

Actuator damping c a 25 N m − 1 s

Structural damping c s 50 N m − 1 s

Figure 3: Schematic diagram of the simulated system.

3.2. Simulation method The system is simulated at a sampling frequency of f s = 5000 Hz in Python using the solve_ivp function from the scipy library, implementing the DOP853 algorithm. This sampling frequency was chosen to be su ffi ciently high so as to approximate a continuous-time system with resonances below 100 Hz, whilst minimising computational load. During control, the new control force F c is calculated at each sampled time point based on the updated control filter, and the solve_ivp function is used to solve the equations of motion given in equations 11 and 12. The plant response of the system is initially measured by outputting a Gaussian noise measurement signal from the controller with Root Mean Square (RMS) v RMS , which generates a force on the actuator mass. During this process, a plant model ˆ g is generated iteratively using the LMS algorithm given in equation 7. The system is then stimulated by vibrating the floor with Gaussian white noise with a RMS displacement of x RMS with the controller o ff . This provides a measure of the RMS displacement of the structural mass to be controlled. Finally, the system is again stimulated by vibrating the floor with Gaussian white noise with an RMS displacement of x RMS , now with the controller on. A control filter is then iteratively generated using the FxLMS algorithm given by equation 4.

4. PLANT MODELLING

The success of the plant modelling may be measured by defining a normalised mean square plant error (Plant NMSE)

Plant NMSE = 10 log 10 

e 2 p [ n ] / e 2 [ n ]  (13)

where e p [ n ] and e [ n ] are as defined in equation 6. The LMS plant identification algorithm given in equation 7 was used to identify a linear plant model of the system. The model was updated over 20 seconds, with the Plant NMSE measured over the final 5 seconds of the signal e p [ n ] at a range of values of v RMS . Each simlation was repeated 15 times at each value of v RMS . The results are plotted in Figure 4. These results show that the plant model degrades quickly as v RMS grows, since the nonlinearity becomes more dominant. This is further illustrated in Figure 5, which shows the mean and variance of the plant model in the time and frequency domains after the Plant NMSE has converged to a minimum for v RMS = 3 N. At low frequencies, the variance of the model over time is relatively low. However, above and around the second resonance of the system, the variance of the model grows rapidly. The non-stationary nature of the plant model indicates that, as expected, such a linear model of the plant cannot fully capture the behaviour of the nonlinear system.

Figure 4: Plant Model NMSE at various levels of v RMS .

5. CONTROL PERFORMANCE

In order to investigate the e ff ect of nonlinearity on the control performance, the control simulations were run over a range of x RMS , with a plant models identified over a range of v RMS , as described in the previous section. The mean attenuation achieved by the controller was calculated over 5 simulations for each pair of values. The mean attenuation was also measured using either the final iteration of the plant model or the mean of the plant model, calculated over the final 5 seconds of the plant identification. The mean attenuation measured is plotted in Figure 6.

a

Figure 5: Variance of the plant model at v RMS = 3 N. Blue line indicates mean of model over time during LMS identification. Red regions indicate standard deviations from the mean.

The two plots in Figure 6 show similar trends. The mean attenuation achieved by the controller is greatest for low v RMS and x RMS , where the system is behaving approximately linearly. As x RMS is increased above some critical value of approximately x crit ≈ 4 × 10 − 6 m, the attenuation achieved sharply drops to very low levels. This critical value of x RMS appears to have some dependence on v RMS , suggesting that, for x RMS ≈ x crit , the mean attenuation may be slightly improved by increasing v RMS during plant identification. To provide further insight into the system, Figure 7 shows the power spectral density (PSD) of the uncontrolled and controlled structural mass displacement for various values of x RMS and v RMS = 0 . 1 N. At low levels of excitation, significant control of the structural mass is achieved around the linear resonances of the system. At x RMS ≈ 4 × 10 − 6 m, the higher resonance of the system is shifted upwards in frequency, and higher harmonics of the resonances are observed in the uncontrolled response of the system, which are typical features of nonlinear oscillators. It is interesting to note that the controller appears to be able to control the higher nonlinear resonances well, but struggles to control the peak at around 100 Hz. This is likely due to the fact that the small level of attenuation achieved by the controller is preventing the higher nonlinear resonances from being established. At a slightly higher level of x RMS , no resonant peaks are clear in the response of the system, and attenuation is not achieved. It is worth noting that, as the PSD of a signal assumes linearity of the underlying system, the plots in Figure 7 become increasingly unrepresentative of the full, nonlinear dynamics of the system as x RMS increases. In a real implementation of a control system, the mean attenuation of the controller is not a good metric for practical performance if this mean level of attenuation is not consistently achieved. Figures 8 and 9 show the attenuation achieved by the controller over 30 simulations at di ff erent levels of x RMS and v RMS . Figure 8 uses the final iteration of the plant model from the plant identification stage,

Figure 6: Mean attenuation of the control system. Left : using final plant model iteration; Right : Using the mean of the plant model, calculated over the final 5 seconds of the plant identification.

Figure 7: Examples of attenuation achieved at di ff erent levels of x RMS . Blue vertical lines indicate the linear resonant frequencies of the system.

States one Frequency regency

wheras the simulation results presented in Figure 9 use the mean plant model as described above. At low levels of x RMS and v RMS , the attenuation achieved converges over time to a constant value, as expected for a linear system. However, as v RMS is increased, the control results begin to vary. At very high levels of v RMS , enhancement occurs in some cases, which is clearly undesirable for practical applications. This variance in performance is partially mitigated when using the mean plant model, as shown in Figure 9, and the controller in this case generally achieves some attenuation even at high v RMS . At high x RMS , approximately zero control is achieved, as expected from the above results.

6. CONCLUSIONS

This paper has investigated, through simulation, the performance of the FxLMS algorithm using a linear plant model for the control of a simple nonlinear Du ffi ng-like harmonic oscillator. For this simple case, it has been shown that algorithmic LMS plant identification may be strongly a ff ected by the nonlinearity of the oscillator, resulting in variance in the plant model over time at higher frequencies. These plant modelling errors increase as the magnitude of the plant identification signal increases due to the increasing influence of the nonlinear component, and appear to have an e ff ect on the performance of the controller, with unpredictable control performance under certain conditions. The unpredictability of the control over time may be reduced slightly by implementing a linear plant model calculated from the mean of the plant model iterations during algorithmic LMS identification, however, this is not su ffi cient to render the linear controller practically useful. It has further been seen that control performance falls rapidly as the magnitude of stimulation of the nonlinear system is increased, and that the point at which this occurs may have some dependence on the identified plant model. This magnitude of stimulation coincides with the point at which higher- frequency nonlinear resonances appear in the PSD of the displacement of the uncontrolled structural mass. There is some suggestion that identifying the plant model with an identification noise with a greater magnitude can increase the magnitude of stimulation at which the control rapidly fails.

ACKNOWLEDGEMENTS

This research was supported by the Intelligent Structures for Low Noise Environments EPSRC Prosperity Partnership (EP / S03661X / 1).

Figure 8: Attenuation achieved over time using the final iteration of the identified plant model for various levels of v RMS and x RMS .

us 0.1N sue 10-7 m ve 20N__syue= 10-7 m vue 0.1N sue 10-5 m ve 20N__ sue 10-5 m

Figure 9: Attenuation achieved over time using the mean plant model for various levels of v RMS and x RMS .

us 0.1N sue 10-7 m ve 20N__syue= 10-7 m ve 20N__ sue 10-5 m

REFERENCES

[1] S. J. Elliot. Signal Processing for Active Control . Academic Press, London, UK, 2000. [2] Lu Lu, Kai-Li Yin, Rodrigo C. de Lamare, Zongsheng Zheng, Yi Yu, Xiaomin Yang, and Badong Chen. A survey on active noise control in the past decade—part I: Linear systems. Signal Processing , 183:108039, June 2021. [3] E. Bjarnason. Analysis of the filtered-x LMS algorithm. IEEE Transactions on Speech and Audio Processing , 3(6):504–514, 1995. [4] Feiran Yang, Jianfeng Guo, and Jun Yang. Stochastic analysis of the filtered-x LMS algorithm for active noise control. IEEE / ACM Transactions on Audio, Speech, and Language Processing , 28:2252–2266, 2020. [5] M.H. Costa, J.C.M. Bermudez, and N.J. Bershad. Stochastic analysis of the filtered-x LMS algorithm in systems with nonlinear secondary paths. IEEE Transactions on Signal Processing , 50(6):1327–1342, June 2002. [6] O.J. Tobias and R. Seara. On the LMS algorithm with constant and variable leakage factor in a nonlinear environment. IEEE Transactions on Signal Processing , 54(9):3448–3458, 2006. [7] S.D. Snyder and N. Tanaka. Active control of vibration using a neural network. IEEE Transactions on Neural Networks , 6(4):819–828, 1995. [8] Lu Lu, Kai-Li Yin, Rodrigo C. de Lamare, Zongsheng Zheng, Yi Yu, Xiaomin Yang, and Badong Chen. A survey on active noise control in the past decade–part II: Nonlinear systems. Signal Processing , 181:107929, April 2021. [9] Orlando J. Tobias and Rui Seara. Performance comparison of the FxLMS, nonlinear FxLMS and leaky FxLMS algorithms in nonlinear active control applications. In 2002 11th European Signal Processing Conference , pages 1–4, 2002. [10] Shakeel Ahmed, Muhammad Tufail, Muhammad Rehan, Tanveer Abbas, and Amna Majid. A novel approach for improved noise reduction performance in feed-forward active noise control systems with (loudspeaker) saturation non-linearity in the secondary path. IEEE / ACM Transactions on Audio, Speech, and Language Processing , 29:187–197, 2021. [11] Mouayad A. Sahib, Raja Kamil, and Mohammad H. Marhaban. Nonlinear FXLMS algorithm for active noise control systems with saturation nonlinearity. IEEJ Transactions on Electrical and Electronic Engineering , 7(6):598–606, September 2012. [12] Matthew de Brett, Tore Butlin, Luis Andrade, and Ole M. Nielsen. Experimental investigation into the role of nonlinear suspension behaviour in limiting feedforward road noise cancellation. Journal of Sound and Vibration , 516:116532, January 2022.